Help with wiring! 2 volume, 1 tone HSS

Liquid State

New member
Hello,
I recently upgraded a stock Squier Strat with new neck, bridge and bridge pickup (Duncan JB Humbucker). And now I've installed two Fender pots and a 5 way switch.

My desire was to have the 500k pot controlling only the Humbucker's volume and the 2nd pot (250k) wired to the Neck and Middle pickups. However, I can't seem to get this to work, mainly because I am a beginner at guitar wiring and I would appreciate any help I can get. I'll just outline the current problems I am having after I tried to wire it up.

The HB is active on all the switch positions and it doesn't respond to the 500k pot or even the 250k pot. The neck pickup and bridge pickups are not active on any positions, although previously I managed to get them working in very uncommon positions (for example: the neck was active as well as the bridge pickup on the middle position and the neck was active on the bridge position) I understand this is probably due to the wires being placed on the wrong parts of the 5 way switch but I don't know how to fix it properly.

Like I said before, any help is greatly appreciated!

Thanks.
 
Re: Help with wiring! 2 volume, 1 tone HSS

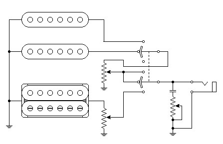
Welcome to the forum. I did this quik-'n-dirty. Hope it makes sense.

Liguid-State.png

Any 5-way switch will have two "sides". So, you'll connect the neck and middle to their respective terminals on one side. Take that sides output to the top of your neck/middle volume pot. Take the output of that pot, (wiper), to both neck/middle terminals of the other side of the 5-way. Connect the bridge to its own pot and its wiper to the bridge terminal on that same side. Connect that sides output to the output jack and tone control.

Make sense? :)

Artie
 
Re: Help with wiring! 2 volume, 1 tone HSS

Thanks for the reply!
Sadly I don't exactly get it, the schematic confuses me greatly. If it wouldn't be too much bother would you be able to draw a diagram of that schematic please? Sorry if that causes any inconvenience.
I do get the part about two sides to the 5 way switch however I'm confused where to put the neck and middle on the switch and. Would the output from that side be a wire connected to a separate terminal on that side then soldered to the neck/mid pot? For example common would be left alone, 1 would have middle, 2 would have neck and 3 would have a wire going to the 250k pot? Haha I'm very uneducated in this! And so then another wire leading from the 250k pot would be soldered onto the opposite sides of where the neck and mid are placed. And then repeat on the bridge positions on the switch, except this time the wiper (which I'm not sure what that even means!) goes from the bridge terminal on the switch to the 500k bridge volume? And then the output on that side of the switch is soldered onto the tone pot and the jack sleeve and tip? I'm sorry if I said anything stupid I'm just trying to make sense of things :) Thanks again for your reply!

Fraser.
 
Re: Help with wiring! 2 volume, 1 tone HSS

No problem. It will just take me a little more time. ;)
 
Re: Help with wiring! 2 volume, 1 tone HSS

Thanks man! Through my research I've also discovered it might be a good idea to install a 500k dual gang tone pot (probably linear) and also use the treble bleed mod. Although I'm not that bothered about the tone control for the humbucker (always used tone on 10 constantly haha) I understand it would be best to still have a tone connected to all pickups.

Fraser.
 
Re: Help with wiring! 2 volume, 1 tone HSS

In my drawing, the tone control is always connected to whichever pickup is selected.
 
Re: Help with wiring! 2 volume, 1 tone HSS

Ah right, that sounds awesome! That way I wouldn't have to install the dual gang pot. Do you still think the treble bleed mod is a good idea?
 
Re: Help with wiring! 2 volume, 1 tone HSS

I don't know what I am doing wrong but sadly what I did didn't work, I followed the diagram exactly and still the neck pickup doesn't seem to be active and the volume for the bridge doesn't work, it's not affecting the pickup in any way. However, in the 2nd position (Bridge and mid) the 2nd volume does work for the middle pickup so at least something works! :)

It could be faulty wires? I should probably replace some of the wires that go from the pots to the 5 way.
 
Re: Help with wiring! 2 volume, 1 tone HSS

Post clear pictures of what you have. I might guess bad solder joints, but could be a wire or two in the wrong place also, or something not grounded. Need to see it.
 
Re: Help with wiring! 2 volume, 1 tone HSS

OK, multiple things here.

The red and white from the humbucker have to be soldered together and taped off for the humbucker to work. The red is the end of the one coil and the white is the start of the next coil, so if you don't connect them so electricity passes all through the humbucker, you'll have no coils.

You've got a capacitor on every pot, that makes three tone controls and no volumes. Only the pot that is farthest away from the pickups and the switch, the pot on the end, that's the only one that should have a capacitor in your wiring scheme.

On the middle pot, both wires are on the outside lugs and there's a cap on the middle lug. The wire that is furthest from the pickups and switch should have been on the middle lug of that pot, and the lug that has that wire now should be soldered to ground. Look carefully at the drawing how the wires are on the one outside lug and the middle lug, and the other outside lug is bent back and soldered to the back of the pot.

On the tone pot, the one furthest out from all the other works, <edit>(clip)none of the wires or the capacitor are on the correct lugs(/clip) - actually it looks like all you need to do is move the white wire to the opposite outside lug. Sorry about that.</edit> My best advice would be put the drawing next to the pot and orient it to line up the the three lugs facing the same direction the pot is and look carefully at where the wires are on the drawing and notice the discrepancies with the actual wiring you have. It needs to be wired like the drawing to work correctly.

I can't quite tell what's going on with the humbucker wiring. It appears there might be some shielding or ground wires mixed in with it's positive lead to the volume pot, which would certainly turn it off even if the red/white had been connected.

Finally, from what I can see, the main positive lead that goes directly to the output jack appears to be exposed as it crosses over the switch and, while ok at the moment, I think it could come in contact with the neck pickup wire coming into the switch when you put the whole works back into the guitar. Doesn't look like you have a lot of slack left to work with, so I think at best you could put a little electrical tape around where it is laying on the switch just to avoid it touching anything else.

There maybe other issues lurking in that wiring, but that is most of what I could see for the moment. Maybe correct those things first and we'll see where we are. I'm going to have limited availability to check in here over the next few days, so either someone else will need to jump in, or be patient and we'll get it worked out.
 
Last edited:
Re: Help with wiring! 2 volume, 1 tone HSS

Haha oh man, what a mess I've made! I can't believe I put capacitors on the 2 volumes!
I can't thank you enough for your help, you've been great! I'll fix all those things tomorrow, thanks! :)
 
Re: Help with wiring! 2 volume, 1 tone HSS

Okay, I've fixed those problems (apart from the wires haven't been taped together, don't have any electrical tape, need to buy some in very soon) and the neck and mid volume is working but it seems that all the pickups are selected in every position on the 5 way switch and the bridge volume doesn't work. Much better than last time at least!
 
Re: Help with wiring! 2 volume, 1 tone HSS

About the bridge volume not working, if it hasn't been changed since before, it doesn't appear the lugs are connected to the correct wires. The small black wire from the humbucker needs to attach to the left lug, the switch connects to the middle lug, and the right lug should be connected to ground/earth. (Currently it looks like possibly both the pickup and the switch are on the left lug, which would bypass the whole pot; the center lug looks possibly connected to ground, which would short out and give you no, or very little volume if it were working, and the right lug doesn't look connected to anything though it should be connected to ground/earth.)

IMG_2085_Scotland_label.jpg
 
Re: Help with wiring! 2 volume, 1 tone HSS

Thanks, I have wired that pot as the diagram shows, the black pickup wire is on the left lug, the wire to the switch is on the centre lug and I tried my best with getting the right lug soldered to ground (on the back the of the pot). If that lug wasn't properly grounded would that render the volume useless?
I will post pictures tomorrow of what I have now, still don't have any electrical tape :/
 
Re: Help with wiring! 2 volume, 1 tone HSS

Yeah, if that last lug isn't grounded, then the volume pot will just function as a resistor in the signal path. I will slightly lower the signal or darken it like a weak tone control, but it will never turn the volume down.
 
Back
Top