Hey y'all. I've been running jb/true velvet/59 in a parts strat for about a year, and i always thought the humbuckers sounded strangely weak and thin, contrary what I was used to hearing from the jb/59 in my other guitars. I just assumed my guitar was naturally bright, and messed with different value pots and different magnets, but got nowhere. I decided to swap out the humbuckers and took a second look at the wiring diagram and I think I messed up.
It's a schaller megaswitch e that does:

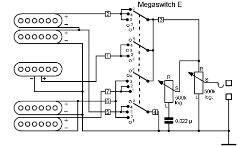
The wiring config:
Connections
1 mid hot wire
2 neck hot wire outer coil
3 output
4 ground
5 neck hot wire inner coil and cold wire outer coil
6 bridge hot wire inner coil and cold wire outer coil
7 bridge hot wire outer coil
Thing is Schaller's hot and ground wires are the finishes of both coils, while duncan's are the start

So instead of wiring the corresponding colors for the start and finish of the windings (duncan's green for schaller's white, etc.) I went with what the manufacturers lists as hot and cold (dunca's black for schaller's yellow, etc.)
I guess my ultimate question is, do the manufacturer's hot and ground matter? Like for Duncans the green is always ground and black is the hot? Or they can change depending on the wiring, and what really matters is the start and finish of the coil windings?
Also what exactly happened due to my mistake? Why did the pickups lose so much power? If I'm interpreting the switching principle right from the schaller website with my initial incorrect wiring when I just had the humbucker switched on white was getting sent to ground, red to output, and black and green together isolated which resulted in the weak sound, i think

It's a schaller megaswitch e that does:

The wiring config:
Connections
1 mid hot wire
2 neck hot wire outer coil
3 output
4 ground
5 neck hot wire inner coil and cold wire outer coil
6 bridge hot wire inner coil and cold wire outer coil
7 bridge hot wire outer coil
Thing is Schaller's hot and ground wires are the finishes of both coils, while duncan's are the start

So instead of wiring the corresponding colors for the start and finish of the windings (duncan's green for schaller's white, etc.) I went with what the manufacturers lists as hot and cold (dunca's black for schaller's yellow, etc.)
I guess my ultimate question is, do the manufacturer's hot and ground matter? Like for Duncans the green is always ground and black is the hot? Or they can change depending on the wiring, and what really matters is the start and finish of the coil windings?
Also what exactly happened due to my mistake? Why did the pickups lose so much power? If I'm interpreting the switching principle right from the schaller website with my initial incorrect wiring when I just had the humbucker switched on white was getting sent to ground, red to output, and black and green together isolated which resulted in the weak sound, i think
