Need help interpretting the schematic for an EMG PA2 boost circuit

Jack_TriPpEr

Well-known member
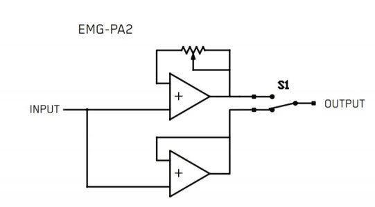
The product page on the EMG site for the PA2 boost circuit ( https://www.emgpickups.com/pa2.html) has a downloadable wiring instruction sheet. Within that sheet, is a schematic for the circuit of the PA2 - see attached pic. Can anyone tell me what the two triangle symbols with the plus sign inside them represent? I have not found a reference online for that exact symbol. I have found descriptions for triangle symbols that are slightly different - none exactly like these two.

Edit: I suspect they represent the boost itself, but then that makes me confused about the circuit, because you are supposed to be able to turn the boost on or off. Yet this seems to show the input signal going through the boost in either case (?)

20200601_173921.jpg
 
Last edited:
Re: Need help interpretting the schematic for an EMG PA2 boost circuit

I’m assuming a very simple inverting OpAmp schematic, omitting a decent amount. The bottom one being a unity gain amplifier and the top one having variable gain set by the pot.
 
Re: Need help interpretting the schematic for an EMG PA2 boost circuit

thats a block diagram, not a schematic and i suspect darkside is correct that one is just a unity gain amp while the other is a boost
 
Re: Need help interpretting the schematic for an EMG PA2 boost circuit

I’m assuming a very simple inverting OpAmp schematic, omitting a decent amount. The bottom one being a unity gain amplifier and the top one having variable gain set by the pot.

Ah, the 2nd amp being unity gain - that makes sense. Thanks!
 
Re: Need help interpretting the schematic for an EMG PA2 boost circuit

thats a block diagram, not a schematic and i suspect darkside is correct that one is just a unity gain amp while the other is a boost

Ahh, thanks for the clueing me in that not everything that looks like a schematic, is actually a schematic. And for corroborating Darkside's theory.
 
Re: Need help interpretting the schematic for an EMG PA2 boost circuit

I’m assuming a very simple inverting OpAmp schematic, omitting a decent amount. The bottom one being a unity gain amplifier and the top one having variable gain set by the pot.

Yup. Can't add to that. Although, without +/- input labels, there's no way to know if its inverting, without watching the output on a scope.

Edit: I take that back. You could temporarily connect the booster to just one pup. If it went OOP after activation with another pup, it would be inverting. If not, then it isn't inverting.
 
Last edited:
Re: Need help interpretting the schematic for an EMG PA2 boost circuit

ive used it only on one pup and it wasnt inverting
 
Re: Need help interpretting the schematic for an EMG PA2 boost circuit

Yeah, I was thinking inverting due to the layout and how there were two amplifiers it is being switched between (to keep phase the same whether engaged or not). Non-inverting makes more sense so you could use it on a single pickup and not cause additional phase issues.

It’s an interesting layout though, rather than simply bypassing the boost entirely or switching from fixed unity resistor to potentiometer.
 
Re: Need help interpretting the schematic for an EMG PA2 boost circuit

ive used it only on one pup and it wasnt inverting

Yeah, I was thinking inverting due to the layout and how there were two amplifiers it is being switched between (to keep phase the same whether engaged or not). Non-inverting makes more sense so you could use it on a single pickup and not cause additional phase issues.

It’s an interesting layout though, rather than simply bypassing the boost entirely or switching from fixed unity resistor to potentiometer.

Great insights, thanks again to you both
 
Back
Top