Ivan75
New member
It's an Ibanez RG in questio, HSH, Evos and a True Velvet in the middle.
My YM50 5-way switch is gone, I wanted a CRL but I couldn't find one in a short notice.
So I wired a Schaller Megaswitch type ''S''
The wiring was standard RG with an additional neck (or bridge) pup splitting using the Push/pull switch when the lever is on neck or bridge. Everything else was standard and it worked fine.
Now, on wiring it all according to Schaller website instructions, I ended up with both humbuckers in split mode whatever you do with the push/pull.
What I'm doing now is cross-referencing the switches to find the wrong connections, for now, I think I should just forget the Schaller instructions, (no additional split coils mentioned there), and just wire it the way the YM50 was wired?
So basically the question is are the switches (Schaller and YM50) mapped the same way? If so, I can disregard the website wiring template.
Any thoughts?
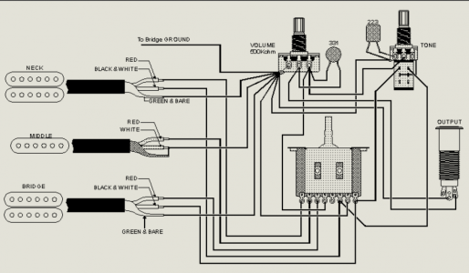
I posted an image of the diagram that actually worked.
I actually just did it according to the diagram, it does not work at all, I hope I just turned the switch backward while soldering so reversing it would solve the problem. If not, I really don't know what to do.
-Update - did it - same thing.
The wiring was fine and is supposed to be like this:
1- (Closest to the neck) - neck humbucker
2 - split neck humbucker+middle RW/RP single coil
3 - Middle single coil
4 - middle single coil + split bridge humbucker
5 - bridge humbucker
It has 1 volume and1 tone pot, the latter is a push/pull switch that splits humbuckers, regardless of the blade position but used in positions 1 and 5.
Any ideas?
My YM50 5-way switch is gone, I wanted a CRL but I couldn't find one in a short notice.
So I wired a Schaller Megaswitch type ''S''
The wiring was standard RG with an additional neck (or bridge) pup splitting using the Push/pull switch when the lever is on neck or bridge. Everything else was standard and it worked fine.
Now, on wiring it all according to Schaller website instructions, I ended up with both humbuckers in split mode whatever you do with the push/pull.
What I'm doing now is cross-referencing the switches to find the wrong connections, for now, I think I should just forget the Schaller instructions, (no additional split coils mentioned there), and just wire it the way the YM50 was wired?
So basically the question is are the switches (Schaller and YM50) mapped the same way? If so, I can disregard the website wiring template.
Any thoughts?
I posted an image of the diagram that actually worked.
I actually just did it according to the diagram, it does not work at all, I hope I just turned the switch backward while soldering so reversing it would solve the problem. If not, I really don't know what to do.
-Update - did it - same thing.
The wiring was fine and is supposed to be like this:
1- (Closest to the neck) - neck humbucker
2 - split neck humbucker+middle RW/RP single coil
3 - Middle single coil
4 - middle single coil + split bridge humbucker
5 - bridge humbucker
It has 1 volume and1 tone pot, the latter is a push/pull switch that splits humbuckers, regardless of the blade position but used in positions 1 and 5.
Any ideas?
