Midwestone
New member
Hello all!
I've been thinking about this for some time now and have been challenged with creating a wiring diagram. I can do wiring in automobiles, but musical instruments seem to challenge me!
Here's the idea - I'd like to replicate the wiring of an Electra Westone X189 or an Electra Phoenix X185 - they've the same wiring - in an Ibanez RG4EX1. Both of these guitars feature a H-S-H setup, but the Ibanez lacks the electronic features of the Westone. Sure, I could simply add a coil tap to the Ibanez and that alone would add a lot of new sounds/tones to it, but the uniqueness of the Westone's setup is quite marvelous and I feel it'd be interesting to have the same setup in an Ibanez. I've done some searching to see if someone has attempted something similar to this and I have found nothing.
Here's a wiring diagram of an Electra Westone X189 - and some other models sharing the same electronics - as sourced from River City Amps.

Here's a picture of an Ibanez RG4EX1 along with some of its features as sourced from Ibanez Wiki.

Neck pickup: INF3 (H)
Middle pickup: INFS3 (S)
Bridge pickup: INF4 (H)
Master volume / master tone / 5-way blade
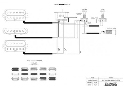
I located a wiring diagram for the Ibanez - here's that.

I would be drilling a third hole to add the secondary tone pot in the Ibanez and I'd also replace its 5-way blade with a 3-way blade so it's more similar to the 3-way toggle that's found on an Electra Westone X189. I would be using Alpha push-pull pots and whatever 3-way blade I can source. I'm fairly sure that they're all the same wiring-wise, so that shouldn't matter. I would be utilizing the Ibanez's stock pickups. The wiring diagram of the Electra Westone is quite good and is a great reference, but I'm unsure of how to wire a three-way blade in place of a three-way toggle. Also, the colors are helpful, but I don't know what color wires in the Electra Westone diagram correlate to what color wires found on the Ibanez pickups.
Any feedback will be greatly appreciated! Thanks for reading, have a fantastic day!
References (in chronological order)
Brambram and Deejayk. RG4EX1. Fandom, Ibanez Wiki, ibanez.wikia.com/wiki/RG4EX1. Accessed 1 December 2018.
Presley, Tom. X185 Electra Phoenix (H-S-H). The Electra Guitar Page, 23 January 2008, www.rivercityamps.com/electrapage/index.php?entry=entry080123-091934. Accessed 1 December 2018.
Rg4ex1 Stock Bridge Pickup Wiring Diagram Jemsite Within Ibanez. Diagram Sample, 23 October 2018, www.boudex.com/ibanez-wiring-diagra...-pickup-wiring-diagram-jemsite-within-ibanez/. Accessed 1 December 2018.
I've been thinking about this for some time now and have been challenged with creating a wiring diagram. I can do wiring in automobiles, but musical instruments seem to challenge me!
Here's the idea - I'd like to replicate the wiring of an Electra Westone X189 or an Electra Phoenix X185 - they've the same wiring - in an Ibanez RG4EX1. Both of these guitars feature a H-S-H setup, but the Ibanez lacks the electronic features of the Westone. Sure, I could simply add a coil tap to the Ibanez and that alone would add a lot of new sounds/tones to it, but the uniqueness of the Westone's setup is quite marvelous and I feel it'd be interesting to have the same setup in an Ibanez. I've done some searching to see if someone has attempted something similar to this and I have found nothing.
Here's a wiring diagram of an Electra Westone X189 - and some other models sharing the same electronics - as sourced from River City Amps.

Here's a picture of an Ibanez RG4EX1 along with some of its features as sourced from Ibanez Wiki.

Neck pickup: INF3 (H)
Middle pickup: INFS3 (S)
Bridge pickup: INF4 (H)
Master volume / master tone / 5-way blade
I located a wiring diagram for the Ibanez - here's that.

I would be drilling a third hole to add the secondary tone pot in the Ibanez and I'd also replace its 5-way blade with a 3-way blade so it's more similar to the 3-way toggle that's found on an Electra Westone X189. I would be using Alpha push-pull pots and whatever 3-way blade I can source. I'm fairly sure that they're all the same wiring-wise, so that shouldn't matter. I would be utilizing the Ibanez's stock pickups. The wiring diagram of the Electra Westone is quite good and is a great reference, but I'm unsure of how to wire a three-way blade in place of a three-way toggle. Also, the colors are helpful, but I don't know what color wires in the Electra Westone diagram correlate to what color wires found on the Ibanez pickups.
Any feedback will be greatly appreciated! Thanks for reading, have a fantastic day!
References (in chronological order)
Brambram and Deejayk. RG4EX1. Fandom, Ibanez Wiki, ibanez.wikia.com/wiki/RG4EX1. Accessed 1 December 2018.
Presley, Tom. X185 Electra Phoenix (H-S-H). The Electra Guitar Page, 23 January 2008, www.rivercityamps.com/electrapage/index.php?entry=entry080123-091934. Accessed 1 December 2018.
Rg4ex1 Stock Bridge Pickup Wiring Diagram Jemsite Within Ibanez. Diagram Sample, 23 October 2018, www.boudex.com/ibanez-wiring-diagra...-pickup-wiring-diagram-jemsite-within-ibanez/. Accessed 1 December 2018.
Last edited: