Wiring help...

Ghwar

New member
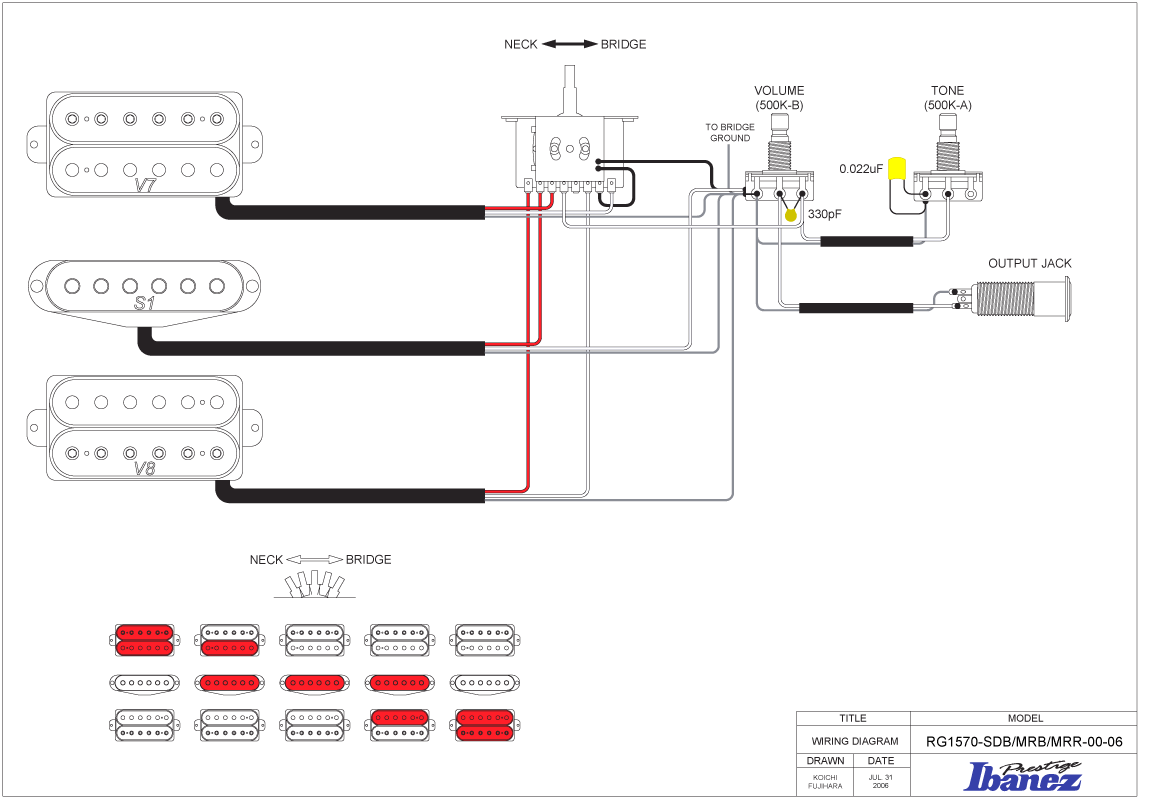
I have an Ibanez with the attached wiring scheme. I like it a lot but I miss my beloved Bridge+Neck humbucker position that my 3 way switch guitars have. Is there a clever way I can add that back in to this guitar? Like could you do it with a push pull pot or something ? Any ideas ? Thanks.
a0bafcd133168c2370a67ee10452727a.gif


Sent from my SM-G965W using Tapatalk
 
Back
Top