GuitarStv
Sock Market Trader
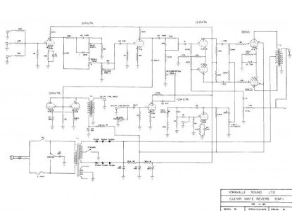
I've got a Traynor YGM-1 that hasn't seen any love in many years. Looking it over, it needs some new resistors, capacitors and tubes. I plugged some new power tubes in the other day and was playing around with it, and noticed that the plates in the tubes were glowing a very bright unhealthy looking shade of orange/red. There's no bias pot in the amp currently. Here's a circuit diagram:

Where should pots go to do bias adjustments? I'm thinking it's got to be somewhere around the 250 ohm resistor between the two 6BQ5s . . .

Where should pots go to do bias adjustments? I'm thinking it's got to be somewhere around the 250 ohm resistor between the two 6BQ5s . . .
Last edited: