Neo Fender1
New member
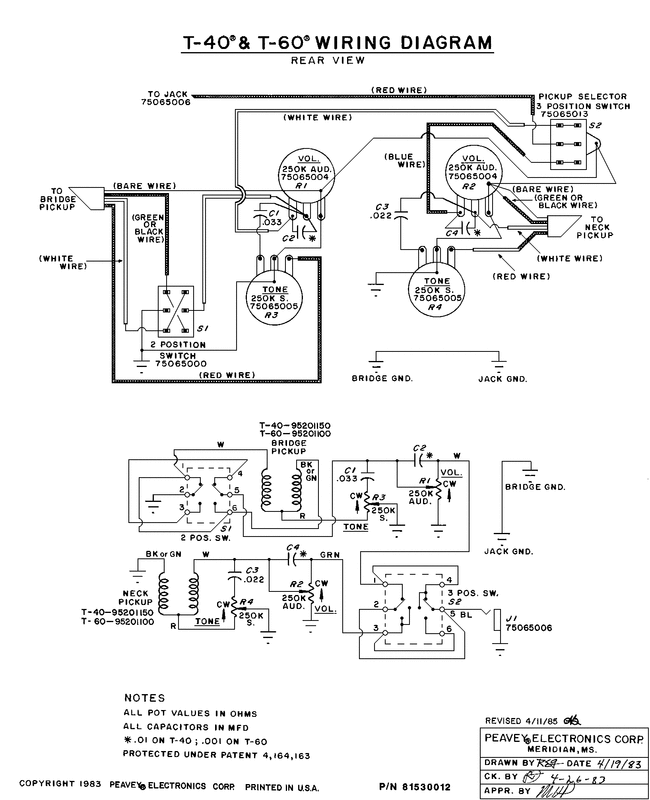
My plan is to take the two humbuckers from my Peavey T-60 and install them in a Strat. Below is the schematic. I’d like to take the two volume and two tone pots (four total in a LP type layout) and replace them with two 250K/250K concentric (stacked) volume/tone pots (e.g. neck vol/tone and bridge vol/tone).
Instead of using one switch for pickup selection and another for the phase switching, can I incorporate both functions into a four way switch (e.g. Telecaster) to get:
(1) Neck
(2) Neck/bridge in phase
(3) Neck bridge out-of-phase
(4) Bridge.
What about a regular Strat five way switch? Would this make other magical options available? (e.g. both outer coils).
Thanks.
Instead of using one switch for pickup selection and another for the phase switching, can I incorporate both functions into a four way switch (e.g. Telecaster) to get:
(1) Neck
(2) Neck/bridge in phase
(3) Neck bridge out-of-phase
(4) Bridge.
What about a regular Strat five way switch? Would this make other magical options available? (e.g. both outer coils).
Thanks.
