ThreeChordWonder
New member
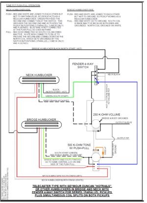
The regular Fender / Seymour-Duncan circuit is fine for humbuckers and a 3-way, where the neck ground isn't part of the switching logic. You run into trouble, however, with a 4-way, where switching the neck ground on and off controls the neck pickup activation.
This attempts to overcome this.
Of course I could use two push-pulls and coil split each humbucker individually, but I really can't see the point of that.

This attempts to overcome this.
Of course I could use two push-pulls and coil split each humbucker individually, but I really can't see the point of that.
