Hi,
I have a Dean Evo Special Select (Les Paul type) guitar. It has 2 humbuckers each with 4 wires, 1 master volume, 1 master tone, a 3-way toggle PUP selector, and two 3-position DPDT mini switches that the previous owner installed for individual coilsplitting of each pickup. I want to change it up a bit, and I'm also pretty sure the previous guy who worked on it screwed something up (the colored wires from each pickup are wired the same way to each mini-switch by color, despite the pickups being from Gibson and GFS who have different color codes for their wires). I might add I am not comfortable adding in any more mini switches or wanting to buy new pull-pots.
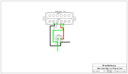
What I want to be able to do is have one mini switch be a master series/coilsplit/parallel switch that would affect both pickups and the other mini switch be a phase reversal switch for either pickup to put it out of phase with the other when in middle pickup position, effectively creating (I think) 12 different tones. The trouble is, I don't know if that's even possible (mainly the master series/coilsplit/parallel switch) and I haven't been able to find any diagrams that show how to do this. Can anyone point me to one or give any tips on how to do this?
If it's not possible, I'd be fine with each mini switch being a series/coilsplit/parallel switch for each pickup, which I am pretty sure is very doable. If this is my best bet, which diagram is the one you would choose?
Thanks!
I have a Dean Evo Special Select (Les Paul type) guitar. It has 2 humbuckers each with 4 wires, 1 master volume, 1 master tone, a 3-way toggle PUP selector, and two 3-position DPDT mini switches that the previous owner installed for individual coilsplitting of each pickup. I want to change it up a bit, and I'm also pretty sure the previous guy who worked on it screwed something up (the colored wires from each pickup are wired the same way to each mini-switch by color, despite the pickups being from Gibson and GFS who have different color codes for their wires). I might add I am not comfortable adding in any more mini switches or wanting to buy new pull-pots.
What I want to be able to do is have one mini switch be a master series/coilsplit/parallel switch that would affect both pickups and the other mini switch be a phase reversal switch for either pickup to put it out of phase with the other when in middle pickup position, effectively creating (I think) 12 different tones. The trouble is, I don't know if that's even possible (mainly the master series/coilsplit/parallel switch) and I haven't been able to find any diagrams that show how to do this. Can anyone point me to one or give any tips on how to do this?
If it's not possible, I'd be fine with each mini switch being a series/coilsplit/parallel switch for each pickup, which I am pretty sure is very doable. If this is my best bet, which diagram is the one you would choose?
Thanks!

