HS 3way tele-style swith wiring, no both position

donaldr

Well-known member
Hi.

I am installing new pickups in HS guitar and want to wire VTT using 3-way tele-style switch.
VTT pots will be:
- Master Volume
- Neck Tone
- Bridge Tone

I want the switch to be:
- N: Neck only with volume
- M: Bridge only with volume
- B: Bridge only no volume

Can it be done?
Thanks
 
Re: HS 3way tele-style swith wiring, no both position

So you want

Neck - V/T
Bridge- V/T
B- Tone only? Is this so you can get a volume boost?
 
Re: HS 3way tele-style swith wiring, no both position

Can it be done? Yes.
Can it be done with a three way Tele switch? No.
 
Re: HS 3way tele-style swith wiring, no both position

Yeah, I'd guess you'd need some sort of fancy switch in there, as the 2nd position on a Tele switch is hard-wired to combine 2 sources (pickups). You'd need some sort of discreet switching that allows you to decide what is connected or not.

EDIT: Apparently it can be done. Artie is on the case...
 
Re: HS 3way tele-style swith wiring, no both position

Can it be done with a three way Tele switch? No.

Yes. Dirt simple. Gimme a sec. ;)

I did this quik-'n-dirty. Standard 3-way. I can elaborate later. (On my way to work.)

donaldr.png
 
Last edited:
Re: HS 3way tele-style swith wiring, no both position

So you want

Neck - V/T
Bridge- V/T
B- Tone only? Is this so you can get a volume boost?
Yes but not as much as a volume boost as a change of character: from cleaner sound (lower volume) to more distortion (full volume) with the amps (models) I'm using.
 
Last edited:
Re: HS 3way tele-style swith wiring, no both position

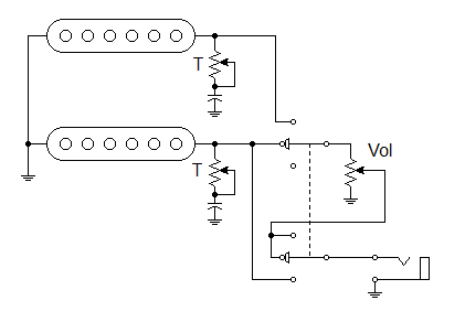
I was thinking of something like this?

Neck PU --> Tone --> Switch Left 3
Bridge PU --> Tone --> Switch Left 2 --> Switch Right 1
Switch Left Common --> Volume --> Switch Right Common
Switch Right Common --> Output
 
Last edited:
Re: HS 3way tele-style swith wiring, no both position

And then I was thinking that might work better:

Neck PU --> Switch Left 3
Bridge PU --> Switch Left 2 --> Switch Right 1 --> Output
Tone --> Switch Right 3
Tone --> Switch Right 2 --> Switch Right 1
Switch Left Common --> Volume --> Output

Can someone validate please?
 
Re: HS 3way tele-style swith wiring, no both position

I should have done this using better graphics instead of "schematic" style symbols. I'll redraw when I get a spare moment. But, maybe this will help:

donaldr-2.jpg

"Click" image to expand.
 
Re: HS 3way tele-style swith wiring, no both position

You're too kind. If I was actually a genius, I'd have kramersteen's diagram done by now. (Long story. Long time.) :blackeye:
 
Re: HS 3way tele-style swith wiring, no both position

Time (lack of) or other priorities do not distract from intellect.
 
Re: HS 3way tele-style swith wiring, no both position

I should have done this using better graphics instead of "schematic" style symbols. I'll redraw when I get a spare moment. But, maybe this will help:

View attachment 71122

"Click" image to expand.
Looks good but as a noob in electronic I don't see how to wire the switch :-(
 
Re: HS 3way tele-style swith wiring, no both position

And then I was thinking that might work better:

Neck PU --> Switch Left 3
Bridge PU --> Switch Left 2 --> Switch Right 1 --> Output
Tone --> Switch Right 3
Tone --> Switch Right 2 --> Switch Right 1
Switch Left Common --> Volume --> Output

Can someone validate please?
@ArtieToo, is it the textual representation of your diagram?
 
Re: HS 3way tele-style swith wiring, no both position

I'll redraw that using a better pic of the switch. Just heading out of town for Easter right now. Film@11. ;)
 
Re: HS 3way tele-style swith wiring, no both position

I'll redraw that using a better pic of the switch. Just heading out of town for Easter right now. Film@11. ;)

Hi @ArtieToo. I know it's been a long time, but I'm now back to this guitar and would really like a way to wire that 3-way blade switch please.

I don't need a diagram, but something like this will work enough:
a-1
a-2 bridge+tone
a-3: neck+tone
a-A volume -> output
b-1 wire from a-2
b-2
b-3
b-A

I cannot figure it out from your previous diagrams.
Thanks
 
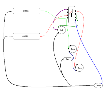
Re: HS 3way tele-style swith wiring, no both position

Here's a graphic illustration of the wiring:

3_way.PNG

Assuming you still want following:

Up: Neck through volume pot
Middle: Bridge through volume pot
Down: Bridge straight to jack
 
Re: HS 3way tele-style swith wiring, no both position

Thanks a lot.
Ok to assume you drew the switch like this?
LA - R1
L1 - R2
L2 - R3
L3 - RA

Question: Wouldn't the bridge pickup be affected by the volume pot in position 1 because of the "bridge" between Left-2 and Right-1? As R1 -> L2 -> LA -> volume -> R3 -> output? Sorry for my newbieness :-)
 
Last edited:
Back
Top