Hello,
Bit of a n00b here when it comes to mucking about with my guitar internals. I decided to try to upgrade my INF2 bridge pickup to a JB (because Adam Jones uses them so they must be good right?).
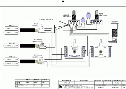
Inside was a 5 way switch, and the Ibanez pickup had white to terminal 1, red to terminal 6, and then black to the volume pot. So after looking a bunch of diagrams and reading up on things, my new configuration was: black to terminal 1, red & white to terminal 6, and green and bare to the volume pot.
It seems to work when the switch is in the final position, but when in a split coil position I get this weird, quiet etheral sound out of it. I don't use the split too often, but I'm curious what I did wrong? I'd like to replace the neck pickups at some point and don't want to make things worse.
Bit of a n00b here when it comes to mucking about with my guitar internals. I decided to try to upgrade my INF2 bridge pickup to a JB (because Adam Jones uses them so they must be good right?).
Inside was a 5 way switch, and the Ibanez pickup had white to terminal 1, red to terminal 6, and then black to the volume pot. So after looking a bunch of diagrams and reading up on things, my new configuration was: black to terminal 1, red & white to terminal 6, and green and bare to the volume pot.
It seems to work when the switch is in the final position, but when in a split coil position I get this weird, quiet etheral sound out of it. I don't use the split too often, but I'm curious what I did wrong? I'd like to replace the neck pickups at some point and don't want to make things worse.
Last edited:

