I just got a new VK20mh that I have matched up with a Marshall 2x12 vertical cab loaded with V30s. It's got a lot of great tones but I have issues with it that detract from its usability.
I can't get a good EQ that works for both channels. The drive channel is way too bright when I get the clean channel sounding nice. I have played with swapping tubes and have got a small improvement in warming the drive channel.
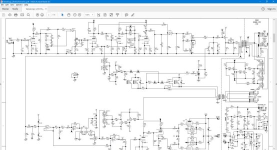
Can anyone help with suggesting mods to warm up the drive channel and/or brighten the clean channel? I've done soldering mods before so comfortable pulling it apart but I'm hopeless at understanding electronics/schematics. I have attached the schematics, so if any smart guys can decipher it and make suggestions, I would be very grateful.
Apparently the general operation of this amp is: clean and drive channels go to v1 (12ax7), the clean then goes to v3 and out, whereas the drive goes to half v2 then v3 and out. The boost adds the 2nd half of v2. I have changed out v2 from a Ruby to a JJ and that helped a little.
I'm guessing a change of value at C40 or maybe C51 (top left schematics)?
Any help appreciated.

I can't get a good EQ that works for both channels. The drive channel is way too bright when I get the clean channel sounding nice. I have played with swapping tubes and have got a small improvement in warming the drive channel.
Can anyone help with suggesting mods to warm up the drive channel and/or brighten the clean channel? I've done soldering mods before so comfortable pulling it apart but I'm hopeless at understanding electronics/schematics. I have attached the schematics, so if any smart guys can decipher it and make suggestions, I would be very grateful.
Apparently the general operation of this amp is: clean and drive channels go to v1 (12ax7), the clean then goes to v3 and out, whereas the drive goes to half v2 then v3 and out. The boost adds the 2nd half of v2. I have changed out v2 from a Ruby to a JJ and that helped a little.
I'm guessing a change of value at C40 or maybe C51 (top left schematics)?
Any help appreciated.
