Rout Depth

Depends on the instrument. Are you mounting them straight to the wood or on a pickguard? Does the neck sit flat like a Fender, or at an angle like a Gibson? Usually if you suffer from bottoming out the pickup on the wood, your issue is with the mounting screws being too long or the legs on a humbucker. Single coils aren't usually too tall, even the stacked ones
 
ive only run into issues with direct mount stacks. whatever the stock fender depth is has worked fine for me with the duncan stack+ pups
 
Soda pop comes in 2 liter bottles instead of the glass quarts

One liter and half liter in store as well as 20 oz bottles

Drugs are in kilos since the 70s

Military refers to distance in clicks. Meaning kilometers

I measure my junk in millimeters makes it sound larger
 
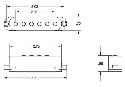
Thank you for the responses! I really appreciate seeing the dimensions in two languages. It is a strat style guitar that started as a body blank. The stacked single coils will be mounted to / suspended from a pickguard. The routs are currently at approximately .78" / 20mm, and it appears that with some portion of the pickups projecting above the pickguard there will be sufficient clearance. My only concern is whether there is an issue with how close the bottom of the pickup is to the copper shielding.
 
Thank you for the responses! I really appreciate seeing the dimensions in two languages. It is a strat style guitar that started as a body blank. The stacked single coils will be mounted to / suspended from a pickguard. The routs are currently at approximately .78" / 20mm, and it appears that with some portion of the pickups projecting above the pickguard there will be sufficient clearance. My only concern is whether there is an issue with how close the bottom of the pickup is to the copper shielding.

You could always put a layer of tape underneath the pickup.
 
People will complain about not using weird arbitrary units and then tell you the time in minutes and hours.
 
Oh and if you really want to see crazy units, find out why the caps and resistors have the numbers they do
 
Oh and if you really want to see crazy units, find out why the caps and resistors have the numbers they do

I got that under control, but I wish we would all adopt "military" time, instead of am & pm. It's the only thing they got right.
 
Yeah I use UTC a lot for work. 24 hours makes a lot of sense once you get used to it. As far as arbitrary times to start the day, our current midnight doesn't make sense, because unless you get up at 4 and go to bed at 8, most of your day is in the second half. And it's not centered around the sun either, because at most latitudes the sunset is offset an hour from the sunrise. For example, where I'm at the earliest sunrise is 6 am and the corresponding sunset would be 8 pm.
 
Back
Top