SD Pickups Too Loud?

Re: SD Pickups Too Loud?

The switch lugs have holes specifically so the wires get poked through them. The metal of the wire should touch the metal of the lug. The solder is there only to fix the joint in place.
I can see more than a few wires on the switch that need a bit of work in that regard.
 
SD Pickups Too Loud?

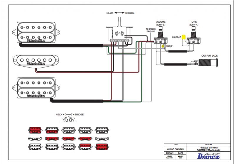
I’m no expert but I think there may some mistakes with the wiring of the switch. The switch in the diagram and the switch in your guitar are a different design and get wired differently. Here is standard Ibanez wiring with the coil splits in positions 2/4 using the import type of switch you have.

140b97648025117cfe38deeeddd31327.jpg
 
Re: SD Pickups Too Loud?

I’m no expert but I think there may some mistakes with the wiring of the switch. The switch in the diagram and the switch in your guitar are a different design and get wired differently. Here is standard Ibanez wiring with the coil splits in positions 2/4 using the import type of switch you have.

140b97648025117cfe38deeeddd31327.jpg

Well I don't want to split the coils at 2 and 4... I'd prefer them to be Full HB and full Single... I do have a push/pull pot that I was considering putting in but wanted to see how it sounded with the stock pups first which hasn't really worked out so far haha

As for the switch type itself, I'm not sure how you tell the difference between one and another, the way I have it wired now is the same as it was with the stock pups.

Here's how it was wired stock, which sounded fine for stock pups
20190706_113452.jpg

EDIT: Pulled out all the hardware to get a better look, so yeah the switch is a 5 way similar to this (as in the traces look the same, but it's not the exact same model switch) https://www.musiker-board.de/attachments/ibby_5-way-jpg.334084/

The tone pot is also 250k with a little green 100v capacitor on it. Will this have a bearing on things? (I do have a brand new 500k pot and a .047 600v capacitor and one of the other style 5 way switches that I can install if that will help)
 
Last edited:
Re: SD Pickups Too Loud?

Well I don't want to split the coils at 2 and 4... I'd prefer them to be Full HB and full Single... I do have a push/pull pot that I was considering putting in but wanted to see how it sounded with the stock pups first which hasn't really worked out so far haha

As for the switch type itself, I'm not sure how you tell the difference between one and another, the way I have it wired now is the same as it was with the stock pups.

Here's how it was wired stock, which sounded fine for stock pups
View attachment 99680

EDIT: Pulled out all the hardware to get a better look, so yeah the switch is a 5 way similar to this (as in the traces look the same, but it's not the exact same model switch) https://www.musiker-board.de/attachments/ibby_5-way-jpg.334084/

The tone pot is also 250k with a little green 100v capacitor on it. Will this have a bearing on things? (I do have a brand new 500k pot and a .047 600v capacitor and one of the other style 5 way switches that I can install if that will help)

The switch in the SD diagram is this style
https://guitarelectronics.com/5-way-guitar-lever-switch-usa-crl-brand/
And the one in your guitar is like this.
https://guitarelectronics.com/5-way-compact-strat-style-lever-switch/

You can accomplish the same wiring with either but obviously the layout is different.

What wiring are you looking to get in 2/4?
Position:
1-bridge
2-?
3- middle
4-?
5- neck

Also, not sure if it has been asked...I’m assuming you checked the wiring color codes since all of the brands use different colors for different wires?

And lastly, be careful if you decide to swap to the 500k pot. The Asian pots that you have in there now, typically have a smaller diameter shaft and changing to a non-Asian pots usually will require you to ream out the holes to accommodate the larger diameter shaft on those.
 
Re: SD Pickups Too Loud?

So what I'm looking to end up with is

1. Bridge
2. Bridge + Middle
3. Middle
4. Neck + Middle
5. Neck

The Single Coil is a 4 conductor version if that matters, I just have two of the wires taped off.

I followed an SD wiring diagram so the color codes should be spot on.

You're right about the other pots, wont fit without widening the holes... Mad stuff I never even knew I had to consider.

I do have a new 5 way switch similar to the first one you posted but I assume it's unlikely to be the cause of the issue?
 
Re: SD Pickups Too Loud?

So what I'm looking to end up with is

1. Bridge
2. Bridge + Middle
3. Middle
4. Neck + Middle
5. Neck

The Single Coil is a 4 conductor version if that matters, I just have two of the wires taped off.

I followed an SD wiring diagram so the color codes should be spot on.

You're right about the other pots, wont fit without widening the holes... Mad stuff I never even knew I had to consider.

I do have a new 5 way switch similar to the first one you posted but I assume it's unlikely to be the cause of the issue?

Are you currently achieving the wiring scheme you are looking to achieve with the wiring as is?

The 2/4 positions are in fact activating each of the desired pickups?
 
Re: SD Pickups Too Loud?

Are you currently achieving the wiring scheme you are looking to achieve with the wiring as is?

The 2/4 positions are in fact activating each of the desired pickups?

Yeah the switch is working as intended, aside from the horrible distortion issue
 
Re: SD Pickups Too Loud?

Very strange.
Well, if it were me I might consider replacing the switch with one like the one I linked earlier. I have never had much luck with the import style switches to begin with. Then you could use the diagram you linked earlier.
Other than that, there are people here that know a lot more than I do about all of this. And they may be able to help you more than I can.
I will say that I’ve used a JB in the past and never had the issue you’re describing. Sure, it doesn’t do a really clean, clean but that’s not it’s thing. If you’re expecting it to be PAF clean that might be a losing battle. But you should still be able to get some decent cleans out of it, albeit with a little hair on it.
 
Re: SD Pickups Too Loud?

I haven’t read anything in this thread that would make a pickup louder. Wiring, switches, pots, caps; none of this will make a pickup sound louder, and especially to the point it clips an I/O input. If it’s really crackles that are unrelated to playing intensity, that could be a bad solder joint. If you’re truly getting clipping that follows volume/playing level, then it’s possible the pickups before were lower output and your rig was setup for that. Perhaps you haven’t heard different pickup output levels like this before (I’m not sure, don’t know your experience). An Invader is high output for sure. But most everything discussed in this thread (except pickup height) is red herrings in terms of output level.
 
Re: SD Pickups Too Loud?

I still recommend taking the guitar to a store and plugging it into a real amp...you'd be able to tell if there was something wrong with the guitar or not by comparing it to a similar guitar there.
 
Re: SD Pickups Too Loud?

So I swapped out the switch to a standard 5 way blade (I bought the switch to install it anyway but was too lazy first time round to bother swapping it out). Obviously, same issue still persists. I re-recorded a test to show you what I'm getting, this time running through an amp/cab sim as it really emphasizes the issue.


https://soundcloud.com/doomofman/cleantest2/s-Blpkh

So there's 4 takes (apologies for the crap playing), I list below the peak input level my DAW registered to show it's not clipping, the pickup and the approx volume the pot was set at:

-7.3db b 100% bridge (Invader)
-26.9db 60% bridge (Invader)
-8.7db 100% neck ('59)
-20.4db 60% neck ('59)

Maybe I'm just not used to pickups this 'hot' but in any demo clips I listen to of clean tones on a '59 in the neck, they don't sound nearly as muddy
 
Re: SD Pickups Too Loud?

Not sure if it’s just me but I don’t hear anything in that clip...just silence.
 
SD Pickups Too Loud?

I feel like the 59 should be a lot cleaner than that but I think with the invader, that’s what you get. It’s a hot pickup.
Usually, I set my neck pickup fairly low. Maybe just a little above the pickup ring height.

As Mincer suggested, I’d love to hear it through a real amp and not a sim.
Is that a possibility?
 
Re: SD Pickups Too Loud?

Not really, don't live anywhere near a music store... I've pretty music always been a 'digital' musician if that makes sense...

I'd say in the end, it's more likely something I'm doing wrong rather than anything... I'll probably just give up on it for a few days as I'd rather be playing than troubleshooting
 
Re: SD Pickups Too Loud?

Are there any potential hardware issues outside of the guitars that you could point to? Guitar cable, input jack, etc.? And forgive me if this has already been asked, but is your impedance in order across the board?

There shouldn't be a reason for the 59n to distort that much without something else being the culprit.
 
Re: SD Pickups Too Loud?

Are there any potential hardware issues outside of the guitars that you could point to? Guitar cable, input jack, etc.? And forgive me if this has already been asked, but is your impedance in order across the board?

There shouldn't be a reason for the 59n to distort that much without something else being the culprit.

Tried different cables, different headphones, tried plugging into my POD HD 500x which gives the same result.

Now, Impedance is something I don't understand... This will probably sound pretty naive to anyone with a modicum of knowledge about it but the way I've set up has always been - cable from guitar to input on my Scarlett 6i6 with the input set as an Instrument input, set the gain as high as it can go without clipping and from there run it through whatever guitar program I decide to use (usually EzMix or TH-U). This has worked for all my guitars except the SD pickup ones.

I'm assuming I need some sort of meter to read impedance?
 
Re: SD Pickups Too Loud?

Hey - just a thought - you mentioned that the interface isn’t clipping at the input, but that doesn’t mean it’s not overloading the PC input. If you leave the computer out of the equation and listen just to the interface (headphones or direct to amplifier) do you get the distortion?


Sent from my iPad using Tapatalk
 
Re: SD Pickups Too Loud?

Woops, not sure why it exported silence the first time around....

https://soundcloud.com/doomofman/cleantest3/s-e3kfd

Order of clips has changed slightly, just for ease of recording, it's now:

-7.3db b 100% bridge (Invader)
-26.9db 60% bridge (Invader)
-20.4db 60% neck ('59)
-8.7db 100% neck ('59)

All of that reads and sounds normal to me. If you need it cleaner than that, use a lower output bridge and cleaner brighter lower output neck. The 59 neck is bass heavy, which translates to muddy/flabby with certain amps and guitars. The invader is possibly the thickest pickup you could have bought; not one I would ever consider for clean playing. I’m frankly amazed it sounds that good clean.

Amp sims are not amps. They do not respond and play like an amp. They just simulate the sound of playing one particular instance of an amp model at a certain level. In other words, amp sims don’t even sound like any given stock model of a particular amp; amp sims only sound like just the particular model the software company had on hand to sample and analyze. No JTM45 sim ever sounded like my JTM45 and no JCM900 sim ever sounded like my JCM900 (in part because my cabinet with my speakers broken in from my playing is also part of the sound), but the sims do sound like a good amp. However they never respond correctly when I play lighter and heavier with my right hand. They make the one sound well but don’t clean up completely or get heavier correctly when I change how hard I hit it.
 
Back
Top