Rat Bastard
New member
Hey guys,
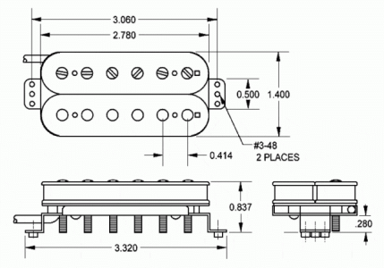
I just ordered a JB bridge for a Fender Duo Sonic, and the box says, "Designed for bridges with traditional humbucker string spacing of 48.9mm." Is that the right one, or do I need to send it back and exchange it for one with 53mm?
I just ordered a JB bridge for a Fender Duo Sonic, and the box says, "Designed for bridges with traditional humbucker string spacing of 48.9mm." Is that the right one, or do I need to send it back and exchange it for one with 53mm?
