Steelrz13
New member
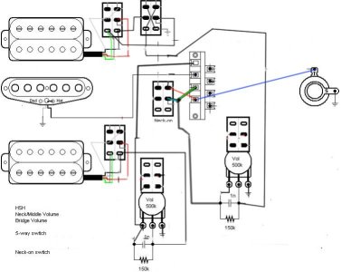
I am trying to come up with a wiring diagram for a guitar that I am building and I am stuck on just a couple things. I am going for a HSH setup with 2 volumes, one for the neck and middle pickups and one for the bridge. I also want to add a switch that will activate the next pickup in any position on the switch giving me 2 the ability to have the added combinations of the neck and bridge active or all three pickups active. I think I have accomplished this but I just have a few question.
First it would be helpful if someone who's more knowledgable could check this diagram over for me to make sure everything looks right.
One concern I have is that i'm not sure if I will be able to control the neck pickups volume when using the neck on switch. This is important to me because I would like the ability to "mix" the bridge and the neck pickups together, similarly to a les paul style guitar.
Also I think I would like to add a master tone control to this but I am not sure how to go about doing that.
Any help or ideas on these matters are gratefully appreciated.
First it would be helpful if someone who's more knowledgable could check this diagram over for me to make sure everything looks right.
One concern I have is that i'm not sure if I will be able to control the neck pickups volume when using the neck on switch. This is important to me because I would like the ability to "mix" the bridge and the neck pickups together, similarly to a les paul style guitar.
Also I think I would like to add a master tone control to this but I am not sure how to go about doing that.
Any help or ideas on these matters are gratefully appreciated.
