Yet another P-Rails Project...

FretFingerz

New member
Hey everyone, first time posting here, sorry if my questions frustrate the crap out of you :P

So I am planning my first mod project, on my first electric guitar, an Epiphone SG Special (1999-2010 model i think). I picked it up a few months ago and was really impressed with how it played compared to how i remembered it and I want to experiment around with it a bit to turn it into a bit of a tonal machine!
I want this guitar to have a huge amount of different tonal options, as i only have 1 other guitar (a nice Ibanez with a floating trem) so this one will be doing all sorts of genres from jazz-blues-fusion-rock-prog-metal with my Ibanez sticking mostly to the prog/metal stuff. I also do a fair bit of production so i thought this would be handy to have in my studio for an array of sounds. But i digress....

ANYWAYS.... the idea I have for this guitar (1Vol, 1Tone, 3-way switch) is as follows:
1. P-Rails - haven't used them before, very excited to give them a go!
2. I was going to use triple shots but i was considering using 2 freeway switches (1 for each pick up) so then i can just flick 1 switch per pup as opposed to learning the combinations of the triple shots. this isn't a must, just an idea I had, not sure if the wiring for this will be too much to fit the rest of the other stuff into the cavity of my SG? I haven't got much experience with wiring but i know a lot of friends that are so will be working with them on it.
3. Phase switch - I'm not sure where I want to put this, or in what form (Switch, Push/Push, Push/Pull) I really don't know much about phase switching on pups and even less about the wiring of it so any advice on that would be amazing.
4. I was thinking about having a blend pot, instead of using the 3-way switch for pickup selection, then i could just blend them in and out of each other, in my mind, this idea sounds great for finding those perfectly in between tones, that nobody has heard before, i.e. neck p90 blended with a bridge rail, or something like that etc. to do this while avoiding cutting too many holes or filling in too much space on the body of my guitar, I figured I might need a Stacked Concentric 500k/500k pot to replace my volume pot so i can use it for Volume & Tone. If I did this, what rating (250k/500k/1Meg etc.) would I need for the blend pot, as i have read about how the ratings add up (or down) on each other i.e. 500k + 500k = 250k if thats correct? So how would I arrange that?
5. I also wanted to turn one of the knobs into a No-Load pot, which I have read here that you can make a blend pot a No-Load swell by painting the end of the connection point in nail polish?
6. Also, wanting to replace the caps with .022 orange drops and a treble bleed for the volume pot.
7. Just as a little side thing, I was thinking about throwing in a momentary kill switch just for the fun and variety? whats your thoughts?

Sorry for the short novel, if you have stuck around to read all of this I REALLY appreciate it! If anyone has any sort of feedback/advice on the idea, whether it will work, any additions or subtractions you could suggest, and ESPECIALLY if anyone knows how to actually do any of this, please point me in the right direction. I don't know if this is all sounding like overkill, but its my first mod job, so I'm kind of wanting to try all the things i can on this 1 guitar, as it gives me practice for when I try stuff on other, more expensive guitars I find in my possession in the future. Anyways, I really hope (well i know) there is someone out there that can lend me some advice on this project, I would really appreciate your input. Thanks everyone!
 
Re: Yet another P-Rails Project...

Yeah, it's a lot, but break it down into steps and it's doable. With so much going on in the control cavity, I strongly recommend the Triple Shots rather than separate switches.


Sent from my iPhone using Tapatalk
 
Re: Yet another P-Rails Project...

For phase switching in the middle position, it's quite simple on a push/push or push/pull - the wiring diagrams on the SD site have it.


Sent from my iPhone using Tapatalk
 
Re: Yet another P-Rails Project...

welcome to the forum!!

id go triple shots too, its pretty easy to switch once you get used to it and much less to fit into the cavity.

phase switch is fine although its questionable how useful the tone is for many people. ive never tried it with a blend pot but it should work fine.

i would go with a 1meg blend pot, 500k volume and tone controls

no-load is typically only used for a tone pot which i wouldnt mess with if you are doing a stacked volume/tone configuration.

if it were me and i wanted to do all that stuff id replace the three way switch with the blend pot, use two triple shot rings, use a p/p 500k volume control for the kill switch, and a p/p 500k tone pot with the .02 orange drop for phasing. if you wanted to make the tone no-load then go for it. i usually dont need more high end so id skip that.
 
Re: Yet another P-Rails Project...

Welcome to the forum, FretFingerz!

How 'bout if we take them one at a time?

1. P-Rails - haven't used them before, very excited to give them a go!
Great choice for tonal options. I have a set (with Triple Shots) on my Ibanez Artcore AS83 and it's a tone machine now!

2. I was going to use triple shots but i was considering using 2 freeway switches (1 for each pick up) so then i can just flick 1 switch per pup as opposed to learning the combinations of the triple shots.
I'd skip the Freeways for this application. In my opinion they look to be much more complicated to use than the Triple Shots (which are pretty easy to get used to). Also, the Freeways have 6 positions but you only need 4 per pickup. The Freeway switches are pretty cool, but I just don't think they're the right choice for what you're trying to accomplish. Triple Shots are also much easier to wire up.

3. Phase switch - I'm not sure where I want to put this, or in what form (Switch, Push/Push, Push/Pull) I really don't know much about phase switching on pups and even less about the wiring of it so any advice on that would be amazing.
The form is completely a matter of how you'd like to do it... all three of the options you mentioned will work just as well from a wiring standpoint, so it would come down to the way that YOU would like to turn it on. I personally like having a phase reverse switch, and almost all of my guitars have them. It's one of those sounds that you don't use all the time, but it's nice if you want to get a "cocked wah" sort of sound with very little fuss.

4. I was thinking about having a blend pot, instead of using the 3-way switch for pickup selection, then i could just blend them in and out of each other, in my mind, this idea sounds great for finding those perfectly in between tones, that nobody has heard before, i.e. neck p90 blended with a bridge rail, or something like that etc. to do this while avoiding cutting too many holes or filling in too much space on the body of my guitar, I figured I might need a Stacked Concentric 500k/500k pot to replace my volume pot so i can use it for Volume & Tone. If I did this, what rating (250k/500k/1Meg etc.) would I need for the blend pot, as i have read about how the ratings add up (or down) on each other i.e. 500k + 500k = 250k if thats correct? So how would I arrange that?
I'm with jeremy on this one in saying that if you're going to go with a blend pot then just replace your 3-way switch. The upside is that you can find some of those in-between tones, the downside is that switching from one pickup to another is not quite as instantaneous as with a switch. A word of caution... many blend pots are just two standard pots running in opposite directions, which means that the center (full blend) position is each of the pickups at HALF VOLUME. Bourns makes a nice one that is 100% on each pot in the center and then tapers down to the edges allowing for full volume when you have both pickups on. I have one on my Westone Spectrum LX which is an HSH guitar and I have it set for blending in the middle pickup. The humbuckers are on the 3-way and the blend pot is set for full CW middle pickup only, CCW humbuckers only, and center a blend of the two. Works pretty good.

One more thing, if you were to replace your tone control with the blend pot, leave your 3-way switch in, and replace the volume with stacked concentric, you won't have any push/pull or push/push pots. This means that if you want that phase reverse or kill switch you'll have to do it by adding mini switches (which means drilling more holes).

5. I also wanted to turn one of the knobs into a No-Load pot, which I have read here that you can make a blend pot a No-Load swell by painting the end of the connection point in nail polish?
jeremy nailed this one too. Not much use for a no-load on a volume pot, and I can't imagine a reason to have one on a blend pot. On a tone pot it can make sense, particularly if you have guitar that struggles to sound bright enough. I put them on the tones for my AS83 when I did the wiring and it's almost too bright now to the point that I have to keep the tones turned down just a touch. My advice: skip them unless you find that your guitar is too dark-sounding when the project is finished. Also, it'll be hard to find no-load push/pull or push/push pots... not impossible, but also not common.

6. Also, wanting to replace the caps with .022 orange drops and a treble bleed for the volume pot.
Strictly a matter of taste. I personally don't hear any difference between one type of .022 cap and another... I think the value makes a huge difference, but I'm not sold on the style of the cap making enough difference to shake a fist at.

I have a treble bleed on my Westone and I don't notice much difference, but to be fair I'm one of those guys who rarely uses my volume control as anything but an on/off switch! :D

7. Just as a little side thing, I was thinking about throwing in a momentary kill switch just for the fun and variety? whats your thoughts?
Sure... why not? I'd definitely do a push/push pot for that one, though... easier to get that machine gun sound by tapping the pot over and over rather than push-pull-push-pull-etc.


Sorry for the short novel, if you have stuck around to read all of this I REALLY appreciate it! If anyone has any sort of feedback/advice on the idea, whether it will work, any additions or subtractions you could suggest, and ESPECIALLY if anyone knows how to actually do any of this, please point me in the right direction. I don't know if this is all sounding like overkill, but its my first mod job, so I'm kind of wanting to try all the things i can on this 1 guitar, as it gives me practice for when I try stuff on other, more expensive guitars I find in my possession in the future. Anyways, I really hope (well i know) there is someone out there that can lend me some advice on this project, I would really appreciate your input. Thanks everyone!
It's nice to have a guitar that you can just mod the hell out of and go for as much as you can so you can figure out what you really like. My Westone was that for me and I'm glad I did it. I originally had 1 volume, 2 tones (neck & bridge), series/split/parallel switches on each pickup, a 3-way varitone, push/pull phase, push/pull center pup on, and push-pull humbuckers off. I figured out that (and this is just my personal tastes, not right or wrong) I like the split sound better than parallel, that parallel is completely worthless on the stacked center pickup, I care little about having two tones, and I never use the varitone. It's on its second manifestation now where I've replaced the center pot (which was neck tone & push/pull center p/u "on") with the blend pot for the center vs humbuckers, the humbucker off switch on the volume is now a master series-parallel, and I made the bridge tone a master tone (still with push/pull phase reverse). It's good for now, but I'll probably make more modifications to it in the future. Best way to figure out what you like is to try it, and I think it's also kind of fun to plan and execute a guitar mod project! :fing2:

I'd be happy to design a diagram for you once you land on a configuration that you like... just say the word. It may take me a couple of days, depending on what's going on in the real world around me, but I enjoy making them so it'd be my pleasure.
 
Last edited:
Re: Yet another P-Rails Project...

You know what? I had a little time to kill this morning, so I jumped the gun and dug into your project. This is how I would do it, so if that works for you... Great! If there's anything you'd like me to change to make it more "you," just say the word. :D

8261118fc5f7f08c7069a28d7f0f282e.jpg


By the way, you can get the Bourns PDB182 blend pot here.
 
Re: Yet another P-Rails Project...

Man, that is some great work, right there. Even if he doesn't end up using it, thanks for doing that!
 
Re: Yet another P-Rails Project...

Thankyou SO much!!! This feedback has helped me out heaps! And especially a massive thanks to BriGuy for the amazing effort that diagram is awesome
So I have decided to kill the no-load idea, at least for now.
-Do you think the blend pot is necessary or do you think its more practical to stick to the 3-way switch? I like the idea of it but it's a good point about the fast changes, and i wonder whether the p-rails and phase reverse alone give me enough options without falling into the rabbit hole of blending haha what do you guys think?
-Triple Shots is definitely the way to go now I agree with all of you
-With the kill "switch" (button/ push/push) would the push/push pot react fast enough and smoothly enough for proper application or would I be better off throwing a little red button somewhere instead? I haven't used push/push pots before so I have no idea how they feel.
-Lastly, just a side note, what is everyones opinion on the arrangement of the P-Rails? As in, do you prefer them to be around the normal way (Rails facing in) or do you like the Rails facing outwards? I play ALOT of blues so Hendrix/SRV/John Mayer tones from the rails is what I'm after, which I know I'll never quite get from these but as close as possible would be great!

Again, I can't express my gratitude enough for all your feedback, it is highly valued. And BriGuy, once this is all decided on, I will definitely be requesting your expertise on another diagram if thats ok, absolutely incredible work!
Thanks again everyone, so excited to get this underway!
 
Re: Yet another P-Rails Project...

Glad you like it! :fing2:

-Do you think the blend pot is necessary or do you think its more practical to stick to the 3-way switch? I like the idea of it but it's a good point about the fast changes, and i wonder whether the p-rails and phase reverse alone give me enough options without falling into the rabbit hole of blending haha what do you guys think?

Is it necessary? No. Would it be useful? Possibly. I guess it comes down to you. I actually have plans to eventually build a guitar that does the same thing, using a blend pot instead of a 3-way... just to see how it goes. Do you play often where you need to switch from one pickup to another on the fly mid-song? If so, you may find that the blend pot slows you down. If not, then the blended tones are also available to you with no real downside. You're right, though, in saying that you have plenty of tonal variation with series, rail, P-90, and parallel for two pickups along with a phase reverse. I say go with what's more important to you. I also wouldn't be too afraid of going down one road or another... it'd be easy enough to retrofit to the other and the parts are pretty inexpensive.

-With the kill "switch" (button/ push/push) would the push/push pot react fast enough and smoothly enough for proper application or would I be better off throwing a little red button somewhere instead?

I was thinking about that as well while I was drawing the diagram... and the "little red button" would be much faster reacting. It'd be easy enough to add, but you'll have to drill a hole.

-Lastly, just a side note, what is everyones opinion on the arrangement of the P-Rails? As in, do you prefer them to be around the normal way (Rails facing in) or do you like the Rails facing outwards? I play ALOT of blues so Hendrix/SRV/John Mayer tones from the rails is what I'm after, which I know I'll never quite get from these but as close as possible would be great!

I have mine in the standard configuration, but I've also heard from plenty of guys who like the bridge pickup flipped so the coil is closer to the bridge. I doubt that it would make a big tonal difference on the neck pickup due to its distance from the bridge. Try it both ways... it's easy enough to flip the pickup back over!


Like I said, I like digging into a diagram... it makes me exercise the ol' brain (and at my age I need to keep it in shape). It was my pleasure to create the diagram for you, and if you decide to make any changes, just let me know. :D
 
Re: Yet another P-Rails Project...

Again, can't thank you enough for the help it has been awesome!
So, I think it might be better if i got the little red button, as it is actually made for killing the signal quickly, so there is 1 hole i need to drill in.
My next thought is that maybe I should just stick to the 3-way for now, for the quick, distinct tone changes, and give it a go later on once I have really nailed down the already vast selection of tones I will have, or, since I already have to drill 1 hole, maybe I could drill another, and have a separate blend pot, as well as the 3-way? Is there any way i could set it up so that the blend pot is only engaged when in the middle position of the 3-way switch?
 
Re: Yet another P-Rails Project...

Yes, it can be done (blend pot only in the middle position), but you'll have to get a special 3-way in order to do it. I'll play around with the idea and see what I can come up with for ya.


[emoji450] Sent from my iPhone using Tapatalk [emoji441]
 
Yet another P-Rails Project...

Hey, just had a thought... the special 3-way switch you'd need is a little expensive ($25-$30), but I could set it up so that you're still using a push-push (or push-pull) switch on the volume control which would choose whether the switch was in control OR the blend pot. What do you think? Or would you rather just have the blend pot only work in the center switch position?


[emoji450] Sent from my iPhone using Tapatalk [emoji441]
 
Re: Yet another P-Rails Project...

So do you mean that I could basically turn the blend pot on an off? Because that would be awesome :)
I would definitely choose that option. I don't mind drilling a couple of holes, it actually already has a hole in it where the input jack got ripped sideways when it got caught on something a fair while ago, i have it covered up with a sterling silver plate from my dads jewellery shop haha
 
Last edited:
Re: Yet another P-Rails Project...

Pretty much, yeah... except the push/pull would also turn the 3-way switch on and off. You'd be picking one or the other to be in control of the pickups... down would be the switch and up would be the blend pot.

Just woke up... gonna get some coffee and see if I can get something for ya before my daughter wakes up! :27:
 
Re: Yet another P-Rails Project...

That sounds great! Either a push/push or push/pull would work for me. This is all sounding so cool I am obsessing over these ideas haha
Not sure what day it is for you guys but Father's day is just finishing up for me so hope your daughters give/gave you a great day :P
The anticipation of this project is destroying my sleeping pattern haha can't wait to actually get my hands on this
 
Re: Yet another P-Rails Project...

LOL... just a normal ol' Sunday here. Where are you in the world?

I just finished it... I'll have it up in a few minutes. [emoji6]


[emoji450] Sent from my iPhone using Tapatalk [emoji441]
 
Re: Yet another P-Rails Project...

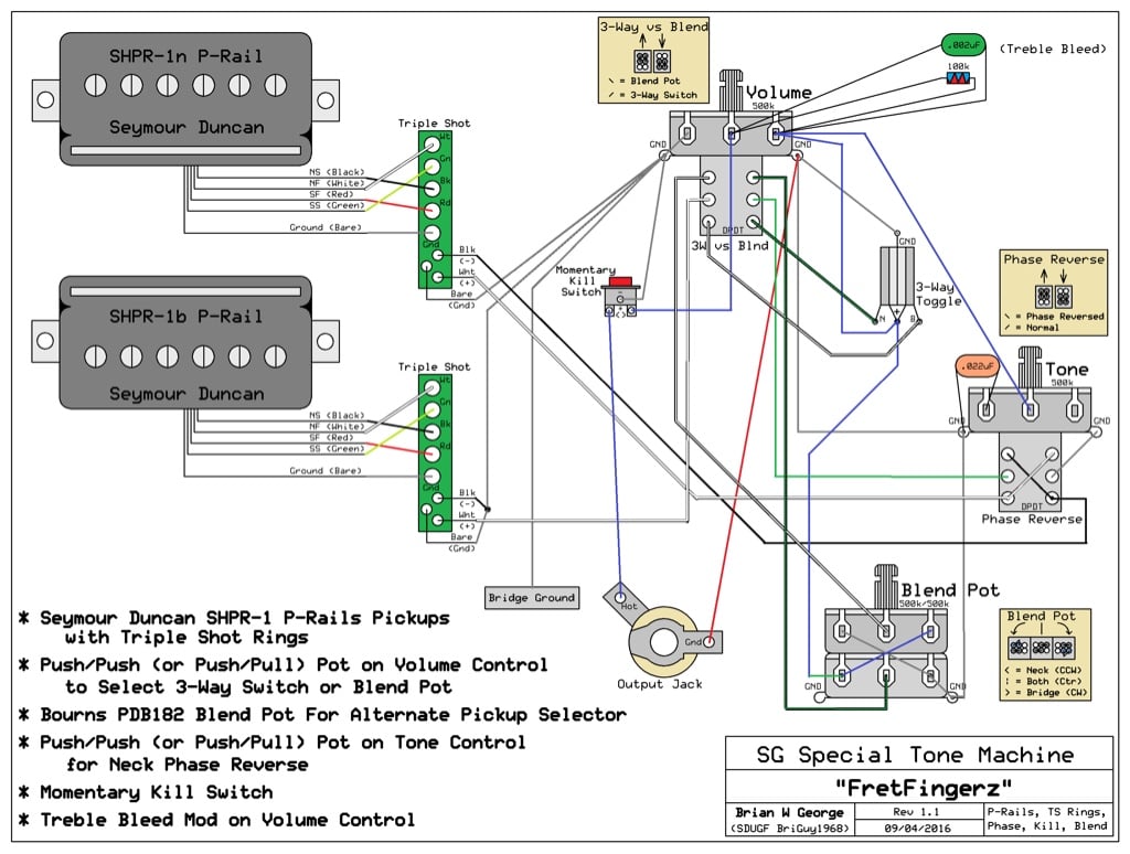
Okay. Here we go... revision 1.1. I rearranged the components a little in order to more closely resemble what I imagine your layout would be based on you saying that the original hole for the output jack was available. I added the push-button momentary Kill Switch, a standard Gibby-style 3-Way Toggle, and changed the p/p on the volume control to a selector for either the toggle or the blend pot. I also took a few extra minutes to color the wires so you can more easily follow them now that the diagram has become a bit more elaborate. (You don't have to use the colors in your actual project.)

Here it is:

4847a28dcb267f72f378b69af4951aae.jpg



EDIT: Oops! That ground wire from the jack to the volume pot was supposed to be gray! Oh well, you get the idea! :dunno:
 
Last edited:
Re: Yet another P-Rails Project...

Wow... Now that is a work of art haha!
Central Coast of Australia by the way, in reply to your question earlier :)
For now at least, I think you may have successfully helped me complete my final design for this project! :)
Honestly, I can't thank you enough for your effort and extremely valuable ideas they have helped me so much!
I guess the next thing for me to do is to buy the parts now.... This may take a week or so, but will keep you updated on how it's going
I'm about to finish my sound production course so I have a few assignments coming up but hopefully I'll be able to fit this in between somewhere. If not, I'll be doing it as soon as the course finishes in a couple of weeks. So excited about this, I'm actually almost disappointed that I don't get to enjoy developing these plans further with you or the anticipation of open this thread up to see what new information has been found for me :P
Thanks again everyone, particularly BriGuy, absolute legend, no way I could have done this without your help, I would still be trying to figure out what parts I wanted to add haha
Can't wait to update you on how it's going, I'll be sure to take photos or something like that :)
Take care, Have an excellent week, and I shall be getting back to you asap with updates :)
P.s. If you have any extra thoughts, please feel free to drop them here as I will keep checking back here just to read back over all the info

Thanks again!!!
 
Back
Top