2015 Fender Telecaster HH Hum or Trem

themeansr

New member
Hi there, I have a 2015 Fender Telecaster HH and I am looking to change out the pickups with the JB/Jazz or Distortion/Jazz. I am seeing conflicting information regarding if I need to get the Trembuckers or Humbuckers for this guitar. Would someone be able to help me out with this?
 
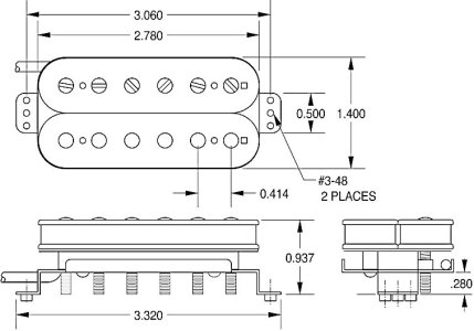
Do you have a reasonably accurate rule? I'd just measure the string spacing. A trembucker has .414" spacing string to string, or 52.6 mm E to E.

Click image for larger version  Name:	TB-6.jpg Views:	1 Size:	65.7 KB ID:	6075495
 
Last edited:
That's it...just measure the spacing of the strings in millimeters. Post the answer here.
 
Back
Top