Deeper Insight - Pickup Switches

Lucius Paisley

Well-known member
I'm currently in the middle of a rewiring and after looking in the corners of the net where such things should reside, I can't find anything regarding lug connections / switch positions apart from the standards. I understand why certain wirings are standard or 'classic', but surely there is room for experimentation. And for now, I'd much rather get into the very technical rather than solder and resolder while hoping for the best.

Can anybody point me in the right direction? Something a bit more more detailed than the wiring diagrams already provided here. Thanks.
 
Re: Deeper Insight - Pickup Switches

Do what I used to do; draw the switch layout on paper, and then figure out different ways to wire things up. I used to do some very elaborate wiring. These days not as much.


Sent from my iPhone using Tapatalk
 
Re: Deeper Insight - Pickup Switches

For which switches and what do you want to do? The Strat/Tele 5-Way and Les Paul/Gibson have been pretty well explorered. The most interesting switch combo to me now is the 5-way superswitch combined with the S-1. You can almost setup two completely unique 5-way patterns with easy access to both. It's easier to use than the push/pull with a fender knob and switches 4 poles rather than 2 like a push/pull.
 
Re: Deeper Insight - Pickup Switches

I think it might be easier to approach it the other way: find combinations you want, and figure out what you'll need (or how you'd wire things) to make that happen. I tend to want 1 move to get to what I want to do, so for me, a Super Switch (or a Megaswitch) is the way to go, usually. I hate having to move a 5 way and then hit another switch to get to the combination I like.
 
Re: Deeper Insight - Pickup Switches

Here's a good start to understanding how the switches work: The_Anatomy_of_the_Stratocaster_5_way_Switch

Sent from my SM-G930T using Tapatalk
 
Re: Deeper Insight - Pickup Switches

The question doesn't really make sense to me. Switches don't have anything deep to them. The standards tell you all there is to know - the switch simply connects a common wire/lug with alternate wires/lugs as you move it. The lug numbers/positions and the common/output lug is all there is to know. Making it do something deeper is up to the creativity of the person doing the wiring, and getting creative usually involves combining existing diagrams and redrawing a couple connections. But the key is figuring out what you want the overall circuit to do first, then search for wiring ideas that get there, or get you close.
 
Re: Deeper Insight - Pickup Switches

I mean more along the lines of what path does the circuit follow inside the switch. I can see the spidery diagram printed on the circuit board, and I can see a line from the lug to the centre, and then... some stuff happens ... and the connection then follows to the volume pot or the output jack. I want to be able to follow the "some stuff happens" part without pulling apart a perfectly good switch. If I can help it. I mean, I do have some spares, but I'd rather keep them as spares.
 
Re: Deeper Insight - Pickup Switches

If you aren't in a big rush, I can draw you up some diagrams showing the switch contact positions of most commonly available switches. Most of them, I already have done. I just need to assemble them into one folder. Stay tuna-ed. :)
 
Re: Deeper Insight - Pickup Switches

I mean more along the lines of what path does the circuit follow inside the switch. I can see the spidery diagram printed on the circuit board, and I can see a line from the lug to the centre, and then... some stuff happens ... and the connection then follows to the volume pot or the output jack. I want to be able to follow the "some stuff happens" part without pulling apart a perfectly good switch. If I can help it. I mean, I do have some spares, but I'd rather keep them as spares.
Are these Megaswitches are something complicated? The Stnadard style switches are pretty straightforward.

If you have a multimeter you can trace using continuity mode...
 
Re: Deeper Insight - Pickup Switches

If you aren't in a big rush, I can draw you up some diagrams showing the switch contact positions of most commonly available switches. Most of them, I already have done. I just need to assemble them into one folder. Stay tuna-ed. :)

An expanded 'library' would be very helpful. Thanks.
 
Re: Deeper Insight - Pickup Switches

I mean more along the lines of what path does the circuit follow inside the switch. I can see the spidery diagram printed on the circuit board, and I can see a line from the lug to the centre, and then... some stuff happens ... and the connection then follows to the volume pot or the output jack. I want to be able to follow the "some stuff happens" part without pulling apart a perfectly good switch. If I can help it. I mean, I do have some spares, but I'd rather keep them as spares.

What switches are you using that have a complex spidery printed circuit board?
 
Re: Deeper Insight - Pickup Switches

Easiest and surest way of figuring it out is to get multimeter and just check the continuity between each lug in each position. They are cheap and it's the most valuable tool you can have if you do your own wiring.

If you can tell exactly what switch you have, I'm sure someone here can tell you how the connections go too.
 
Re: Deeper Insight - Pickup Switches

Okay, just a 'for instance' - the 8 point import switches, for both the 3-way and the 5-way. If you wire them up the same way, what are the differences? I can draw that easy enough, but I can't "see" how it works. That's the sort of thing I'd like to know.
 
Re: Deeper Insight - Pickup Switches

There really is no more information than this. 3-ways and 5-ways are wired the same and have the same positions. Positions 1-2-3 on a 3-way is the same as positions 1-3-5 on a 5-way. The only difference is 5-way combine positions 1+3 in position 2, and combine positions 3+5 in position 4. Also note, you only need to use one half of a 3-way or a 5-way for pickup switching. The other half can be used for splitting coils (if you are using humbuckers) or connecting tone controls with that position.

Only other exception is a 5-way Super Switch which is equivalent to having four 5-way switches controlled by one knob/handle. On a Super Switch, all 5 positions remain independent, so you have to bridge tabs yourself to get typical 5-way in-between combinations. See below.

5%20way%20switch%20wiring%20diagram.jpg


5-way Super Switch
3200_01terminalmap.gif
 
Last edited:
Re: Deeper Insight - Pickup Switches

I have to admit, I've stared over so many Super Switches to get the combinations that I wanted to get. I can't do it for long, as I get frustrated. However, I am really good at designing a complex guitar/guitar synth/looping setup. So, it sort of balances out.
 
Re: Deeper Insight - Pickup Switches

I have to admit, I've stared over so many Super Switches to get the combinations that I wanted to get. I can't do it for long, as I get frustrated. However, I am really good at designing a complex guitar/guitar synth/looping setup. So, it sort of balances out.

I use Paint to draw the wiring. It helps tremendously to actually see the wires and the connections.
 
Re: Deeper Insight - Pickup Switches

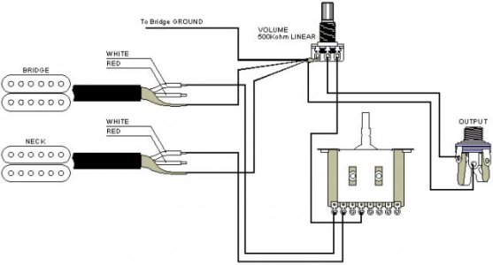
After staring at a diagram on the old Ibanez site (why are guitar brands trying to hide all their wiring setups? And SO MUCH "discontinued parts"), a setup I'm working on now suddenly 'clicked' in my head.

wire.jpg

Before somebody tells me it's upside down, I am left-handed. Not an excuse, but still.

However, having looked at the wires in my guitar, and after having taken out the tone pot, I find I have one wire too many - a ground wire for the tone pot attached to the tremolo claw. I'd rather not disconnect that wire because who knows what the future holds, right? Plus threading it through the hole in the body = annoying.

Normally, there is a ground wire between the switch and volume pot - should I leave that connection, or can I use the tone pot ground wire for the switch?

The original wiring diagram didn't make the ground wire for a switch evident at all. So any help there... excellent.
 
Re: Deeper Insight - Pickup Switches

However, having looked at the wires in my guitar, and after having taken out the tone pot, I find I have one wire too many - a ground wire for the tone pot attached to the tremolo claw. I'd rather not disconnect that wire because who knows what the future holds, right? Plus threading it through the hole in the body = annoying.

Normally, there is a ground wire between the switch and volume pot - should I leave that connection, or can I use the tone pot ground wire for the switch?

The original wiring diagram didn't make the ground wire for a switch evident at all. So any help there... excellent.

It doesn't matter how you wire the ground as long as they all are connected. If you have shielding on the area of pots and switch, you don't need that, some still wire them just to be sure. For tremolo claw, you need the wire.
 
Re: Deeper Insight - Pickup Switches

It doesn't matter how you wire the ground as long as they all are connected. If you have shielding on the area of pots and switch, you don't need that, some still wire them just to be sure. For tremolo claw, you need the wire.

Right now the claw is just a remnant of the old tremolo bridge - which has been taken off to be replaced with a hardtail...

s-l1600.jpg


That one.

Should this be grounded in the same way?
 
Re: Deeper Insight - Pickup Switches

Well, I'd say no, since it's humbucker guitar. If you get noise though, ground it then.
 
Back
Top