LLL
New member
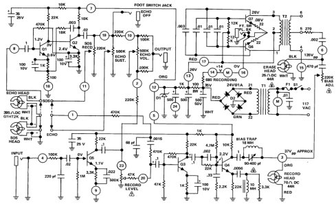
Re: EP-3 preamp magical or just what they had at the time?
"Fakes" as in targeting the market for EP-3 preamps and marketing their stomps as Echoplex preamps (some to the point of actually using the "Echoplex" or "EP" label), but having a different circuit or even FET than the real thing. They are blatant with pushing their product as Echoplex preamps, when they're not.
A parallel I suppose would be the Agile "les paul" series of guitars (AL-3000, etc)... if they were to place an "LP" on the headstock, or even place a "Les Paul" on the headstock - fake.
I had the xotic EP-Booster (hmm.. wonder what the "EP" stands for...? :lol: ), it does not do what the Badgerplex (for ex.) does... hence my selling of it.
I owned the xotic for maybe 3 months; I've had my Badgerplex since 2013 and still do.
Ain't nothin like the real thing.
"Fakes" as in targeting the market for EP-3 preamps and marketing their stomps as Echoplex preamps (some to the point of actually using the "Echoplex" or "EP" label), but having a different circuit or even FET than the real thing. They are blatant with pushing their product as Echoplex preamps, when they're not.
A parallel I suppose would be the Agile "les paul" series of guitars (AL-3000, etc)... if they were to place an "LP" on the headstock, or even place a "Les Paul" on the headstock - fake.
I had the xotic EP-Booster (hmm.. wonder what the "EP" stands for...? :lol: ), it does not do what the Badgerplex (for ex.) does... hence my selling of it.
I owned the xotic for maybe 3 months; I've had my Badgerplex since 2013 and still do.
Ain't nothin like the real thing.
Last edited:





