Phantumgrey
New member
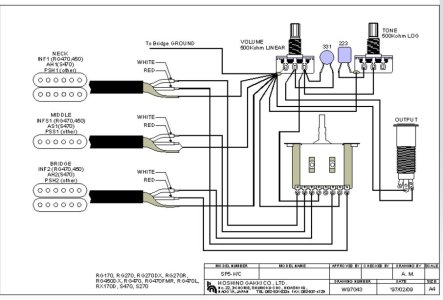
And it sounds terrible like a tin can. I tried using seymour's wiring diagrams, but they weren't even close for my 5 way switch. My SH-4 in the neck and quater pound strat sound great. The SH-6 not so much. I check for cold joints in my solder point and they seem fine. Is this just not the right pick up for my guitar?




