Hey Ya'll
I have a question about the rings:
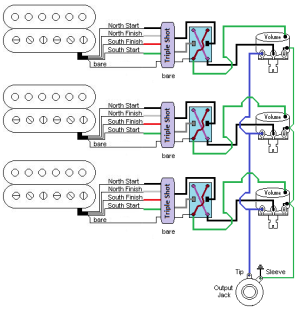
So I'm putting together a Warmoth build. It's going to have a strat body with a Tele neck p/u, Strat middle, and humbucker bridge. I want to utilize the in/out of phase and series/parallel universal wiring in it so I can get peter green sounds with in/out of phase AND fatten the sound with series/parallel.
One pet peeve of mine is switch abundance. I hate having 100 switches on a guitar, when I can have ninja switches and varitone pots. Low profile is key. What I'd like to know, is if there is a way to utilize the triple shot ring switches to control series and phase. (one switch is series/par., the other is in/out phase) I understand that they are in essence on/off switches, but does anyone have a diagram that does this type of thing? Possibly have a mechanism in the control cavity that's wired to the ring that controls these features?
Thanks!!
OvenMan
I have a question about the rings:
So I'm putting together a Warmoth build. It's going to have a strat body with a Tele neck p/u, Strat middle, and humbucker bridge. I want to utilize the in/out of phase and series/parallel universal wiring in it so I can get peter green sounds with in/out of phase AND fatten the sound with series/parallel.
One pet peeve of mine is switch abundance. I hate having 100 switches on a guitar, when I can have ninja switches and varitone pots. Low profile is key. What I'd like to know, is if there is a way to utilize the triple shot ring switches to control series and phase. (one switch is series/par., the other is in/out phase) I understand that they are in essence on/off switches, but does anyone have a diagram that does this type of thing? Possibly have a mechanism in the control cavity that's wired to the ring that controls these features?
Thanks!!
OvenMan

