JimmyO
New member
Hi there,
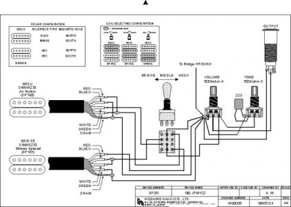
I have a superstrat with a Dimarzio Super Distortion bridge and Paf 36th neck. Both have four wires for coil splitting. Right now I have them wired to a single volume pot and a 3 way selector with full humbucking in all 3 positions. Do you know if it's possible to wire them for full humbucking in the neck and bridge positions but have them both split in the middle position? That way I can go from full rock to more subtle clean passages. I used to have a push pull pot for splitting all positions but it went bad quick and I replaced with a standard pot as the bridge and neck split on their own were too thin for me.
I couldn't find a wiring diagram, if anyone has one it would be great.
Thanks !
I have a superstrat with a Dimarzio Super Distortion bridge and Paf 36th neck. Both have four wires for coil splitting. Right now I have them wired to a single volume pot and a 3 way selector with full humbucking in all 3 positions. Do you know if it's possible to wire them for full humbucking in the neck and bridge positions but have them both split in the middle position? That way I can go from full rock to more subtle clean passages. I used to have a push pull pot for splitting all positions but it went bad quick and I replaced with a standard pot as the bridge and neck split on their own were too thin for me.
I couldn't find a wiring diagram, if anyone has one it would be great.
Thanks !

