Wiring help - Ibanez 5 way switch

amuri

New member
Hi, Im completely new to guitar wiring, and Im in desperate need of your expertise !
here is the situation : :33:
I have bought 3 new pickups for my Ibanez :D
Bridge : Seymour duncan 59/CUSTOM HYBRID SH-16 : http://www.seymourduncan.com/pickup/59custom-hybrid
Middle : Seymour duncan VINTAGE HOT STACK PLUS STRAT STK-S7 http://www.seymourduncan.com/pickup/vintage-hot-stack-plus-strat
Neck : Dimarzio PAF® Master Neck DP260 : http://www.dimarzio.com/node/8199

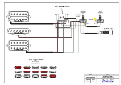
The original 5 way switch wiring of Ibanez utilizes the pickups like this:
https://drive.google.com/open?id=0B7wQ-9P5CSNUSmlHQ3p3clktUlU

and I want to split 59 coil with middle pickup and outer coil(screw coil) of the neck with mid in position 4 and 2
like this :
https://drive.google.com/open?id=0B7wQ-9P5CSNUOVJZQTFlZ2VoYUk

and here is a picture of my 5 way leveler (or switch):
https://drive.google.com/open?id=0B7wQ-9P5CSNUeFVhMUR6WDgxdHc

I DONT KNOW HOW TO WIRE THAT TO GET WHAT I WANT!?
I've been googling , I have read the Duncan GUITAR WIRING DIPLOMA COURSE! and most of the forum here and there .... couldn't figure it out :flush:
do I need super switch ?!


also , Im open to suggestions for getting a even level sounding wirings!


I use 250k pots - NO push pulls and neither I can buy (im broke :D ) :banghead:
I also have a PRS archon 25 to test my guitar.
 
Re: Wiring help - Ibanez 5 way switch

Update :
I have learned that if I would short the south and north finish to the hot wire , I could get the outer coil connection
on other hand, there is this video ...
https://www.youtube.com/watch?v=iu3pL9dxIHA

reading many diagrams and schematics , Ibanez uses the same trick to get inner coil splits :
SDpb2nx.jpg

Now , all I need is to combine these to get :

New wiring.jpg

I would appreciate it VERY MUCH, if anyone who has the answer just post it here! Im very puzzled !
 
Re: Wiring help - Ibanez 5 way switch

The Ibanez 5-ways can be tricky and there's not much info online about how they work. There's probably a model number on the other side of that switch... if you can tell me what it is then I may be able to help you (if it's the same as the one I removed from my RG). I had mapped it out with a multimeter, so if it's the same we may be in luck.


Sent from my iPhone using Tapatalk
 
Re: Wiring help - Ibanez 5 way switch

You're better off looking into one of those Schaller Megaswitch models
 
Re: Wiring help - Ibanez 5 way switch

There is no need really to put in a Superswitch or Megaswitch. If I was you I would follow the wiring from the Ibanez diagram you posted (do mind the wire color codes though, Duncans and DiMarzios using different wiring color codes then the Ibanez pups, you can find them at the Duncan and DiMarzio website, Airhead posted the links above) and then just turn (mount) both your humbuckers around (180 degrees), that will make the outer coils active with the standard wiring, and there is no need for another switch. You'll achieve what you want with just doing that.
 
Last edited:
Re: Wiring help - Ibanez 5 way switch

The Ibanez 5-ways can be tricky and there's not much info online about how they work. There's probably a model number on the other side of that switch... if you can tell me what it is then I may be able to help you (if it's the same as the one I removed from my RG). I had mapped it out with a multimeter, so if it's the same we may be in luck.


Sent from my iPhone using Tapatalk


Thank you for your reply
It has no other writing on it but Im certain it is the same as any regular HSH models of Ibanez.
I checked with Ibanez site and around 90% of auto split of Ibanez guitars, were just the same as mine like this with the same wiring
https://drive.google.com/file/d/0B7wQ-9P5CSNUSmlHQ3p3clktUlU/view

here are the switch back and front pictures :

IMG_20170419_230908.jpgIMG_20170419_230914.jpg
 
Re: Wiring help - Ibanez 5 way switch

There is no need really to put in a Superswitch or Megaswitch. If I was you I would follow the wiring from the Ibanez diagram you posted (do mind the wire color codes though, Duncans and DiMarzios using different wiring color codes then the Ibanez pups, you can find them at the Duncan and DiMarzio website, Airhead posted the links above) and then just turn (mount) both your humbuckers around (180 degrees), that will make the outer coils active with the standard wiring, and there is no need for another switch. You'll achieve what you want with just doing that.

Thanks for the advice, But in that case I would not get the same humbucker sound.
 
Re: Wiring help - Ibanez 5 way switch

You're better off looking into one of those Schaller Megaswitch models

I am researching that , if you could recommend a certain brand,and offer the wiring schematics too .... I would VERY MUCH appreciate it.
 
Re: Wiring help - Ibanez 5 way switch

I am researching that , if you could recommend a certain brand,and offer the wiring schematics too .... I would VERY MUCH appreciate it.

You want Megaswitch S https://www.schaller-electronic.com/hp543130/Megaswitch-S.htm
Search that page for HSH3, that looks like exactly what you need.

There's actually no schematics you need to wire them because they're super easy! All you do is follow the diagram that tells you which lead of which coil goes to what terminal number. For example in the HSH3 diagram, Neck Humbucker North Start goes to Terminal 2.
 
Re: Wiring help - Ibanez 5 way switch

Thanks for the advice, But in that case I would not get the same humbucker sound.

Because you are using humbuckers with unbalanced coils, you are right about that. May look funny to some having the screw side mounted towards the body as well.
I would also advise the Schaller Megaswitch in this case, will give you what you need without any tonal or estethic changes to your setup.
Keep us informed how you like the DiMarzio PAF Master please, have not tried one and I'm curious about it.
 
Re: Wiring help - Ibanez 5 way switch

You want Megaswitch S https://www.schaller-electronic.com/hp543130/Megaswitch-S.htm
Search that page for HSH3, that looks like exactly what you need.

There's actually no schematics you need to wire them because they're super easy! All you do is follow the diagram that tells you which lead of which coil goes to what terminal number. For example in the HSH3 diagram, Neck Humbucker North Start goes to Terminal 2.

Oh nice , thanks
Im waiting for BriGuy1968 suggestion too ... Im a bit broke so I dont want to spend on what's unnecessary .
 
Re: Wiring help - Ibanez 5 way switch

Because you are using humbuckers with unbalanced coils, you are right about that. May look funny to some having the screw side mounted towards the body as well.
I would also advise the Schaller Megaswitch in this case, will give you what you need without any tonal or estethic changes to your setup.
Keep us informed how you like the DiMarzio PAF Master please, have not tried one and I'm curious about it.

I dont care about the funny looks of it , but as I said , I need the 59 coil sound (screws) with the STK-S7. I did not like the custom coil sound split ...
I love all the pickups , I played with PAF master before, It is a lovely sounding pickup, specially through marshalls .
I personally like High gain amps, and I heard it without reverb or any stomps the first time ... Im really happy with it , specially with 250k pots that I have now :bigok:... in my opinion sounds glorious through my own amp too(no stomps). :bowdown: :headbang:
I live in Austria(Europe), it took like 3 month for me to get them , It worth every second.... I got the Seymour Duncans in a week though :fest6: :bigthumb:
 
Wiring help - Ibanez 5 way switch

Well, amuri, I have some bad news. I just spent the last hour-and-a-half puzzling over how to make the stock Ibanez switch work, and I just can't do it... at least not for what you want. The problem is that Ibanez has this switch set up to make it difficult to understand, and it's designed to do only a couple different setups (which it does ingeniously well, but just not in a way that will work for you). Here is a diagram of how the switch makes its internal connections:

1a1c6e74bab654250ba4f7c163ff21e1.jpg


At this point I'm going to recommend that you get a 5-way super switch. You can get one at GuitarElectronics.com for about $19 and I'm sure you could find one on Amazon or eBay for even less. I won't pretend to know the ins and outs of international shipping and your country, but there must be a way.

With that in mind, I'm going to go ahead and get started on building the diagram around a standard 5-way super switch. Feel free to PM me too.
 
Re: Wiring help - Ibanez 5 way switch

Okay... the news just got a little better! I still can't make the Ibanez 5-way work, but I figured out how to do it with a normal Strat-style switch (which is half the price).

What do you think?

664e1afe484c2c74094131f8e3c16cc0.jpg



Sent from my iPhone using Tapatalk
 
Re: Wiring help - Ibanez 5 way switch

I didn't think it could be done with a regular switch...I learned something!
 
Wiring help - Ibanez 5 way switch

I didn't think it could be done with a regular switch...I learned something!

I didn't think so either, but once I got it set up with a super switch I realized that I was only using two of the four poles. Of course they work a little differently, but I decided to try it anyway. The left side was a no-brainer, but I puzzled a bit over the 2nd (right) pole until I realized that I didn't need the common. I just needed to bring the hot to the 2nd lug and have it connect to the 1st and 3rd when in positions 2 and 4, which a standard Strat switch does automatically.

This one was a learning experience for me too... sometimes less is more!


Sent from my iPhone using Tapatalk
 
Re: Wiring help - Ibanez 5 way switch

Okay... the news just got a little better! I still can't make the Ibanez 5-way work, but I figured out how to do it with a normal Strat-style switch (which is half the price).

What do you think?

664e1afe484c2c74094131f8e3c16cc0.jpg



Sent from my iPhone using Tapatalk

Resurrecting an OLD thread here
How could this be setup to use the inside coils vs the outside coils.
Like a "standard" JEM/RG etc setup
 
Re: Wiring help - Ibanez 5 way switch

Originally Posted by The JEM Ghost
There is no need really to put in a Superswitch or Megaswitch. If I was you I would follow the wiring from the Ibanez diagram you posted (do mind the wire color codes though, Duncans and DiMarzios using different wiring color codes then the Ibanez pups, you can find
essay typer at the Duncan and DiMarzio website, Airhead posted the links above) and then just turn (mount) both your humbuckers around (180 degrees), that will make the outer coils active with the standard wiring, and there is no need for another switch. You'll achieve what you want with just doing that.
Hello,

I've just found a pair of PAF Masters and would like to get them nestled into my G&L ASAT Deluxe. Have you tried those? I also checked the DiMarzio PAF Master Humbuckers review by Nick Rambo on the Tonereport.
 
Last edited:
Back
Top