racine2000
New member
Hi
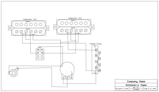
I am rewriting my guitar that has dual humbuckers, one tone and one volume. I would like to use a mini toggle on off on to split the buckers with basically a kill switch in the middle position.
From what I found, it seems like I need to do the following.
1. Take the wires that are twisted together from each pickup and keep them together but solder to the middle lugs, one set on each side.
2. Solder a wire between the top two lugs.
3. Then solder a wire between the bottom two lugs, and then to ground.
Is this correct?
Thanks!
I am rewriting my guitar that has dual humbuckers, one tone and one volume. I would like to use a mini toggle on off on to split the buckers with basically a kill switch in the middle position.
From what I found, it seems like I need to do the following.
1. Take the wires that are twisted together from each pickup and keep them together but solder to the middle lugs, one set on each side.
2. Solder a wire between the top two lugs.
3. Then solder a wire between the bottom two lugs, and then to ground.
Is this correct?
Thanks!

