SJB-1 on Fender Jaguar Bass Delux

Re: SJB-1 on Fender Jaguar Bass Delux

Welcome to the forum.

As far as I recall, the only possible issue is that the SD pickup pair is reverse wound / reverse polarity to cancel hum. This may upset the Jaguar aspects of the control circuitry.

Photographs of the underside of the pickup selector switch plate would help.
 
Re: SJB-1 on Fender Jaguar Bass Delux

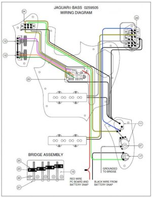
I understand the schematic diagram. I requested photographs of your actual wiring to help confirm that you have made no errors.

What precisely is not sounding right when both SJB-1 pickups are selected? (Obviously, there are two Both On permutations. How is each sounding?)
 
Re: SJB-1 on Fender Jaguar Bass Delux

When the single pu is on their sound is lovely: warm and round the neck pu, aggressive the bridge pu. When I use them togheter the sound is very close to the bridge pu but with less volume and frequencies... the neck pu disappears and the bridge pu loses quality... very syrange
 
Re: SJB-1 on Fender Jaguar Bass Delux

Excellent photographs.

You have the three SD conductor wires soldered to the terminals at the selector and Series/Parallel switches in the wrong order.

Looking at the image in post #9, top to bottom, you have the Duncan conductors in the order White, Yellow, Black.

As viewed from the same angle, change the top to bottom sequence to Black, White , Yellow.
 
Re: SJB-1 on Fender Jaguar Bass Delux

mmmhh... consider that in the wiring diagram the neck pu has white and black conductors, while in the sd set the neck pu has yellow and black conductors (while the bridge pu has white and black conductors)... I have double checked the neck pu label under the pu
 
Re: SJB-1 on Fender Jaguar Bass Delux

My mistake. (Force of habit. Too many Jaguar GUITAR repairs. I took your neck PU cavity to be a bridge PU cavity.)

Make that Black, Yellow, White.

In other words, simply swap the Black and White conductors.
 
Re: SJB-1 on Fender Jaguar Bass Delux

nice. done!
the trick was that on the diagram the yellow conductor of the bridge pick up seems to be on the left part of the pu while in fact is on the right one!!! I misjudged the position of the conductor!!

Thanks a lot
 
Re: SJB-1 on Fender Jaguar Bass Delux

What I'm unclear about is whether they are usually short or long scale...I was sure I saw a lot of SS in the past but I just checked eBay and everything I saw was LS...I prefer LS.
 
Back
Top