Metalfan1185
New member
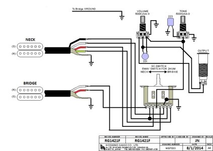
Hey guys I have a dimebucker on the way and im planning on installing it in my RG1421. I am a electronics technician by trade so soldering is no problem at all. My question is can i just install the new pickup by replacing one wire at a time by color? As in put the red where red goes, white where white goes, Green goes to ground with the bare wire, things like that? I understand that coils have a start and ending and direction and all that I just dont know if the wire colors are standard among most pickups. Here is the diagram of my guitar guts hopefully this can help you guys help me out.





![20140801_195545[1].jpg 20140801_195545[1].jpg](https://forum.seymourduncan.com/data/attachments/16/16498-a84ce92d4fa7d400d61069252b172b54.jpg?hash=9f-IcL2ucv)


